YE4-H系列船用高效率三相异步电动机(机座号80~355)
YE4-H Series High Efficiency Three phase Marine Asynchronous Motor(Frame Size80~355)
产品概述 (Product Overview )
YE4—H 系列为全封闭,自扇冷式,船用高效率三相鼠笼式异步电动机,该系列电机的效率符合GB18613-2012《中小型三相异步电动机能效限定值及能效等级》中的2级能效。符合CCS船级社规范要求。除了效率高的优点,此外还有噪声低,外形美观,防护等级高,温升低的优点,适用于船舶上作驱动各种机械,如泵类、通风机、分离器、液压机械及其它辅助设备等之用。
YE4—H Series are totally-enclosed, fan-cooled High Efficiency three-phase marine asynchronous motors of squirrel caged type. The efficiency could meet grade 2 of national standard GB18613-2012 “Minimum allowable value of energy efficiency and rating criteria of small and medium three-phase asynchronous motors ”this series motors are approved by CCS. Besides high efficiency, the motors has advantage of low noise,good-looking appearance,high protection.low temperature rise etc. The motors are suitable for driving various machines on ships such as pumps, blowers, separators, hydraulic engines and other auxiliary equipment.
工作环境条件(Operating Conditions)
海拔≤1000m
Altitude should be lower than 1000m above sea level
环境温度: 0~+45℃
Ambient temperature 0~+45℃
空气相对湿度 ≤95%
Relative humidity should be less than 95%.
倾斜: ±30°
Inclination :±30°
摇摆: ±22.5°
Swing:±22.5°
有盐雾、油雾、霉菌及海水的影响
Influenced by Dew、Salt mist、Oil mist、Fungus and sea water.
有船舶和近海装置正常营运和作业中产生的冲击、振动的影响
Influenced by shock and vibration come from ships and offshore installation.
型号说明(Type Designation)
轴 承(Bearing)
机座号
Frame Size
|
极数
No. of poles
|
轴承
Bearings
|
|
主轴伸端 Driving end
|
非轴伸端
|
|
B3、B5、B35
|
V1
|
Non-Driving end
|
|
80
|
2,4
|
6204-2RS/C3
|
6204-2RS/C3
|
|
90
|
2,4,6
|
6205-2RS/C3
|
6205-2RS/C3
|
|
100
|
2,4,6
|
6206-2RS/C3
|
6206-2RS/C3
|
|
112
|
2,4,6
|
6206-2RS/C3
|
6206-2RS/C3
|
|
132
|
2,4,6
|
6208-2RS/C3
|
6208-2RS/C3
|
|
160
|
2,4,6
|
6309-2RS/C3
|
6309-2RS/C3
|
|
180
|
2,4,6
|
6311/C3
|
6311/C3
|
|
200
|
2,4,6
|
6312/C3
|
6312/C3
|
|
225
|
2 / 4,6
|
6312/C3/6313/C3
|
6312/C3
|
|
250
|
2 / 4,6
|
6313/C3/6314/C3
|
6313/C3
|
|
280
|
2/4,6
|
6314/C3/6317/C3
|
6314C3
|
|
315
|
2/4,6
|
6317/C3/N319/Z2
|
7317ACJ/7319ACJ
|
6317/C3/6319/Z2
|
|
355
|
2/4,6
|
6319/C3/N322/Z2
|
7319ACJ/7322ACJ
|
6319/C3/6322/Z2
|
技术数据(Technical Data)
2 极 2 poles
型号
Type
|
功率
Output kW
|
电流
current A
|
效率
Eff.100%
|
功率因数
cosφ
|
转速
Speed r/min
|
堵转转矩/额定转矩
Locked-rotor torque vs Rated toque Tst/Tn
|
堵转电流/额定电流
Locked-rotor current vs Rated current Ist/In
|
zui大转矩/额定转矩
Breakdown torque vs Rated torque Tmax/Tn
|
|
380V 50Hz
|
440V 60Hz
|
380V 50Hz
|
440V 60Hz
|
|
YE4-80M1-2-H
|
0.75
|
1.7
|
1.6
|
80.7
|
0.82
|
2870
|
3480
|
2.3
|
7
|
2.3
|
|
YE4-80M2-2-H
|
1.1
|
2.4
|
2.1
|
82.7
|
0.83
|
2875
|
3485
|
2.2
|
7.3
|
|
YE4-90S-2-H
|
1.5
|
3.2
|
2.8
|
84.2
|
0.84
|
2880
|
3490
|
7.6
|
|
YE4-90L-2-H
|
2.2
|
4.6
|
4.0
|
85.9
|
0.85
|
2880
|
3490
|
|
YE4-100L-2-H
|
3
|
6.0
|
5.2
|
87.1
|
0.87
|
2880
|
3490
|
7.8
|
|
YE4-112M-2-H
|
4
|
7.8
|
6.8
|
88.1
|
0.88
|
2915
|
3535
|
8.3
|
|
YE4-132S1-2-H
|
5.5
|
10.6
|
9.3
|
89.2
|
0.88
|
2930
|
3540
|
2.0
|
|
YE4-132S2-2-H
|
7.5
|
14.4
|
12.4
|
90.1
|
0.88
|
2930
|
3540
|
7.9
|
|
YE4-160M1-2-H
|
11
|
20.6
|
17.9
|
91.2
|
0.89
|
2945
|
3550
|
8.1
|
|
YE4-160M2-2-H
|
15
|
27.9
|
24.1
|
91.9
|
0.89
|
2945
|
3550
|
|
YE4-160L-2-H
|
18.5
|
34.2
|
30.1
|
92.4
|
0.89
|
2945
|
3550
|
8.2
|
|
YE4-180M-2-H
|
22
|
40.5
|
29.6
|
92.7
|
0.89
|
2950
|
3555
|
|
YE4-200L1-2-H
|
30
|
54.9
|
48.4
|
93.3
|
0.89
|
2965
|
3575
|
7.6
|
|
YE4-200L2-2-H
|
37
|
67.4
|
59.3
|
93.7
|
0.89
|
2965
|
3575
|
|
YE4-225M-2-H
|
45
|
80.8
|
69.8
|
94
|
0.9
|
2965
|
3575
|
7.7
|
|
YE4-250M-2-H
|
55
|
98.5
|
85.2
|
94.3
|
0.9
|
2975
|
3580
|
|
YE4-280S-2-H
|
75
|
134.0
|
115.7
|
94.7
|
0.9
|
2975
|
3580
|
1.8
|
7.1
|
|
YE4-280M-2-H
|
90
|
160.0
|
138.2
|
95
|
0.9
|
2975
|
3580
|
|
YE4-315S-2-H
|
110
|
195.0
|
168.4
|
95.2
|
0.9
|
2985
|
3585
|
|
YE4-315M-2-H
|
132
|
234.0
|
202.1
|
95.4
|
0.9
|
2985
|
3585
|
|
YE4-315L1-2-H
|
160
|
279.0
|
241.0
|
95.6
|
0.91
|
2985
|
3585
|
7.2
|
|
YE4-315L2-2-H
|
200
|
349.0
|
301.4
|
95.8
|
0.91
|
2985
|
3585
|
2.2
|
|
YE4-355M-2-H
|
250
|
436.0
|
376.5
|
95.8
|
0.91
|
2985
|
3585
|
1.6
|
|
YE4-355L-2-H
|
315
|
549.0
|
474.0
|
95.8
|
0.91
|
2985
|
3585
|
4极 4 poles
型号
Type
|
功率
Output kW
|
电流
Current A
|
效率
Eff.100%
|
功率
因数cosφ
|
转速
Speed r/min
|
堵转转矩/额定转矩
Locked-rotor torque vs Rated toque Tst/Tn
|
堵转电流/额定电流
Locked-rotor current vs Rated current Ist/In
|
zui大转矩/额定转矩
Breakdown torque vs Rated torque Tmax/Tn
|
|
380V 50Hz
|
440V 60Hz
|
380V 50Hz
|
440V 60Hz
|
|
YE4-80M2-4-H
|
0.75
|
1.8
|
1.6
|
82.5
|
0.75
|
1430
|
1740
|
2.3
|
6.6
|
2.3
|
|
YE4-90S-4-H
|
1.1
|
2.6
|
2.2
|
84.1
|
0.76
|
1430
|
1740
|
6.8
|
|
YE4-90L-4-H
|
1.5
|
3.5
|
3.0
|
85.3
|
0.77
|
1430
|
1740
|
7
|
|
YE4-100L1-4-H
|
2.2
|
4.8
|
4.1
|
86.7
|
0.81
|
1440
|
1750
|
7.6
|
|
YE4-100L2-4-H
|
3
|
6.3
|
5.5
|
87.7
|
0.82
|
1440
|
1750
|
|
YE4-112M-4-H
|
4
|
8.4
|
7.3
|
88.6
|
0.82
|
1455
|
1755
|
2.2
|
7.8
|
|
YE4-132S-4-H
|
5.5
|
11.2
|
9.7
|
89.6
|
0.83
|
1465
|
1765
|
2
|
7.9
|
|
YE4-132M-4-H
|
7.5
|
15.0
|
13.0
|
90.4
|
0.84
|
1465
|
1765
|
7.5
|
|
YE4-160M-4-H
|
11
|
21.5
|
18.6
|
91.4
|
0.85
|
1470
|
1770
|
2.2
|
7.7
|
|
YE4-160L-4-H
|
15
|
28.8
|
24.9
|
92.1
|
0.86
|
1470
|
1770
|
7.8
|
|
YE4-180M-4-H
|
18.5
|
35.3
|
30.5
|
92.6
|
0.86
|
1470
|
1770
|
2.0
|
|
YE4-180L-4-H
|
22
|
41.8
|
36.3
|
93
|
0.86
|
1470
|
1770
|
|
YE4-200L-4-H
|
30
|
56.6
|
49.2
|
93.6
|
0.86
|
1475
|
1775
|
7.3
|
|
YE4-225S-4-H
|
37
|
69.6
|
60.4
|
93.9
|
0.86
|
1480
|
1780
|
7.4
|
|
YE4-225M-4-H
|
45
|
84.4
|
73.7
|
94.2
|
0.86
|
1480
|
1780
|
|
YE4-250M-4-H
|
55
|
103.0
|
89.0
|
94.6
|
0.86
|
1485
|
1785
|
2.2
|
|
YE4-280S-4-H
|
75
|
136.0
|
117.5
|
95
|
0.88
|
1490
|
1795
|
2
|
6.9
|
|
YE4-280M-4-H
|
90
|
163.0
|
140.8
|
95.2
|
0.88
|
1490
|
1795
|
|
YE4-315S-4-H
|
110
|
197.0
|
170.2
|
95.4
|
0.89
|
1490
|
1795
|
7
|
2.2
|
|
YE4-315M-4-H
|
132
|
236.0
|
203.8
|
95.6
|
0.89
|
1490
|
1795
|
|
YE4-315L1-4-H
|
160
|
285.0
|
246.2
|
95.8
|
0.89
|
1490
|
1795
|
7.1
|
|
YE4-315L2-4-H
|
200
|
352.0
|
304.0
|
96
|
0.9
|
1490
|
1795
|
|
YE4-355M-4-H
|
250
|
440.0
|
380.0
|
96
|
0.9
|
1490
|
1795
|
|
YE4-355L-4-H
|
315
|
554.0
|
478.5
|
96
|
0.9
|
1490
|
1795
|
6极 6poles
型号
Type
|
功率Output kW
|
电流
Current A
|
效率
Eff.100%
|
功率因数
cosφ
|
转速
Speed r/min
|
堵转转矩/额定转矩
Locked-rotor torque vs Rated toque Tst/Tn
|
堵转电流/额定电流
Locked-rotor current vs Rated current Ist/In
|
zui大转矩/额定转矩
Breakdown torque vs Rated torque Tmax/Tn
|
|
380V 50Hz
|
440V 60Hz
|
380V 50Hz
|
440V 60Hz
|
|
YE4-90S-6-H
|
0.75
|
2.0
|
1.7
|
78.9
|
0.71
|
945
|
1155
|
2.0
|
6
|
2.1
|
|
YE4-90L-6-H
|
1.1
|
2.8
|
2.4
|
81
|
0.73
|
950
|
1160
|
|
YE4-100L-6-H
|
1.5
|
3.8
|
3.3
|
82.5
|
0.73
|
950
|
1160
|
6.5
|
|
YE4-112M-6-H
|
2.2
|
5.4
|
4.7
|
84.3
|
0.74
|
965
|
1170
|
6.6
|
|
YE4-132S-6-H
|
3
|
7.2
|
6.2
|
85.6
|
0.74
|
975
|
1180
|
6.8
|
|
YE4-132M1-6-H
|
4
|
9.5
|
8.2
|
86.8
|
0.74
|
975
|
1180
|
|
YE4-132M2-6-H
|
5.5
|
12.7
|
11.0
|
88
|
0.75
|
975
|
1180
|
7
|
|
YE4-160M-6-H
|
7.5
|
16.2
|
14.0
|
89.1
|
0.79
|
980
|
1185
|
|
YE4-160L-6-H
|
11
|
23.1
|
20.0
|
90.3
|
0.8
|
980
|
1185
|
7.2
|
|
YE4-180L-6-H
|
15
|
30.9
|
26.8
|
91.2
|
0.81
|
980
|
1185
|
7.3
|
|
YE4-200L1-6-H
|
18.5
|
37.8
|
32.6
|
91.7
|
0.81
|
985
|
1190
|
|
YE4-200L2-6-H
|
22
|
44.8
|
38.8
|
92.2
|
0.81
|
985
|
1190
|
7.4
|
|
YE4-225M-6-H
|
30
|
59.1
|
51.0
|
92.9
|
0.83
|
985
|
1190
|
6.9
|
|
YE4-250M-6-H
|
37
|
71.7
|
62.0
|
93.3
|
0.84
|
985
|
1190
|
7.1
|
|
YE4-280S-6-H
|
45
|
85.8
|
74.1
|
93.7
|
0.85
|
990
|
1190
|
7.3
|
2
|
|
YE4-280M-6-H
|
55
|
103.0
|
89.0
|
94.1
|
0.86
|
990
|
1190
|
|
YE4-315S-6-H
|
75
|
143.0
|
123.5
|
94.6
|
0.84
|
990
|
1190
|
6.6
|
|
YE4-315M-6-H
|
90
|
170.0
|
146.8
|
94.9
|
0.85
|
990
|
1190
|
6.7
|
|
YE4-315L1-6-H
|
110
|
207.0
|
178.8
|
95.1
|
0.85
|
990
|
1190
|
|
YE4-315L2-6-H
|
132
|
244.0
|
210.7
|
95.4
|
0.86
|
990
|
1190
|
6.8
|
|
YE4-355M1-6-H
|
160
|
296.0
|
255.6
|
95.6
|
0.86
|
995
|
1190
|
1.8
|
|
YE4-355M2-6-H
|
200
|
365.0
|
315.2
|
95.8
|
0.87
|
995
|
1190
|
|
YE4-355L-6-H
|
250
|
456.0
|
393.8
|
95.8
|
0.87
|
995
|
1190
|
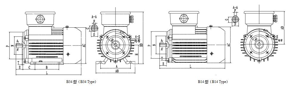
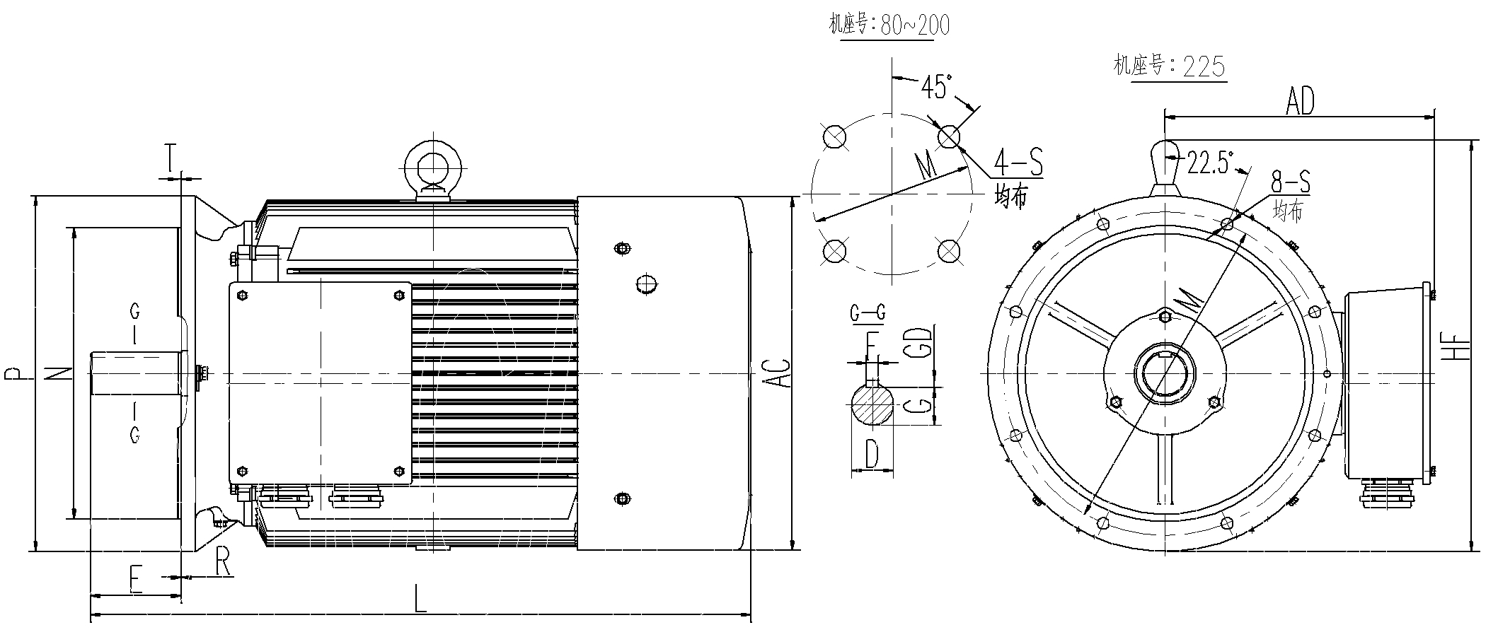
外形及安装尺寸
(Mounting and Overall Dimensions)
机座号
Frame Size
|
安装及外形尺寸
Mounting and overall dimensions
|
|
A
|
B
|
C
|
D
|
E
|
F
|
G
|
GD
|
H
|
K
|
AB
|
AC
|
AD
|
HD
|
L
|
|
80M
|
125
|
100
|
50
|
19
|
40
|
6
|
15.5
|
6
|
80
|
10
|
165
|
175
|
160
|
240
|
305
|
|
90S
|
140
|
56
|
24
|
50
|
8
|
20
|
7
|
90
|
180
|
205
|
175
|
270
|
395
|
|
90L
|
125
|
425
|
|
100L
|
160
|
140
|
63
|
28
|
60
|
24
|
100
|
12
|
205
|
215
|
185
|
290
|
435
|
|
112M
|
190
|
70
|
112
|
245
|
255
|
200
|
320
|
475
|
|
132S
|
216
|
89
|
38
|
80
|
10
|
33
|
8
|
132
|
280
|
310
|
245
|
365
|
535
|
|
132M
|
178
|
550
|
|
160M
|
254
|
210
|
108
|
42
|
110
|
12
|
37
|
160
|
15
|
330
|
340
|
270
|
440
|
730
|
|
160L
|
254
|
760
|
|
180M
|
279
|
241
|
121
|
48
|
14
|
42.5
|
9
|
180
|
355
|
390
|
290
|
475
|
805
|
|
180L
|
279
|
835
|
|
200L
|
318
|
305
|
133
|
55
|
16
|
49
|
10
|
200
|
19
|
395
|
445
|
355
|
525
|
890
|
|
225S
|
356
|
286
|
149
|
(55)/60
|
(110)/140
|
(16)/18
|
(49)/53
|
(10)/11
|
225
|
435
|
495
|
370
|
580
|
865
|
|
225M
|
311
|
(865)/895
|
|
250M
|
406
|
349
|
168
|
(60)/65
|
140
|
18
|
(53)/58
|
11
|
250
|
24
|
490
|
550
|
455
|
650
|
995
|
|
280S
|
457
|
368
|
190
|
(65)/75
|
(18)/20
|
(58)/67.5
|
(11)/12
|
280
|
550
|
630
|
470
|
705
|
1030
|
|
280M
|
419
|
1080
|
|
315S
|
508
|
406
|
216
|
(65)/80
|
(140)170
|
(18)/22
|
(58)/71
|
(11)/14
|
315
|
28
|
744
|
645
|
576
|
875
|
(1270)/1300
|
|
315M
|
457
|
(1320)/1350
|
|
315L
|
508
|
|
355M
|
610
|
560
|
254
|
(75)/95
|
(20)/25
|
(67.5)/86
|
(12)/14
|
355
|
28
|
740
|
750
|
680
|
1045
|
(1560)/1590
|
|
355L
|
630
|
|
注:表格中括号内的数字为2极数据 。Note :The data in bracket refer to 2 poles motors
|
B35型(B35 Type)
|
机座号Frame size
|
安装及外形尺寸
Mounting and overall dimensions
|
|
A
|
B
|
C
|
D
|
E
|
F
|
G
|
GD
|
H
|
K
|
M
|
N
|
P
|
R
|
S
|
T
|
AB
|
AC
|
AD
|
HD
|
L
|
|
80M
|
125
|
100
|
50
|
19
|
40
|
6
|
15.5
|
6
|
80
|
10
|
165
|
130
|
200
|
0±1.5
|
12
|
3.5
|
165
|
175
|
160
|
240
|
305
|
|
90S
|
140
|
56
|
24
|
50
|
8
|
20
|
7
|
90
|
180
|
205
|
175
|
270
|
395
|
|
90L
|
125
|
425
|
|
100L
|
160
|
140
|
63
|
28
|
60
|
24
|
100
|
12
|
215
|
180
|
250
|
0±2.0
|
15
|
4
|
205
|
215
|
185
|
290
|
435
|
|
112M
|
190
|
70
|
112
|
245
|
255
|
200
|
320
|
475
|
|
132S
|
216
|
89
|
38
|
80
|
10
|
33
|
8
|
132
|
265
|
230
|
300
|
280
|
310
|
245
|
365
|
535
|
|
132M
|
178
|
550
|
|
160M
|
254
|
210
|
108
|
42
|
110
|
12
|
37
|
160
|
15
|
300
|
250
|
350
|
0±3.0
|
19
|
5
|
330
|
340
|
270
|
440
|
730
|
|
160L
|
254
|
760
|
|
180M
|
279
|
241
|
121
|
48
|
14
|
42.5
|
9
|
180
|
355
|
390
|
290
|
475
|
805
|
|
180L
|
279
|
835
|
|
200L
|
318
|
305
|
133
|
55
|
16
|
49
|
10
|
200
|
19
|
350
|
300
|
400
|
395
|
445
|
355
|
525
|
890
|
|
225S
|
356
|
286
|
149
|
(55)/60
|
(110)/140
|
(16)/18
|
(49)/53
|
(10)/11
|
225
|
400
|
350
|
450
|
0±4.0
|
435
|
495
|
370
|
580
|
865
|
|
225M
|
311
|
(865)/895
|
|
250M
|
406
|
349
|
168
|
(60)/65
|
140
|
18
|
(53)/58
|
11
|
250
|
24
|
500
|
450
|
550
|
490
|
550
|
455
|
650
|
995
|
|
280S
|
457
|
368
|
190
|
(65)/75
|
(18)/20
|
(58)/67.5
|
(11)/12
|
280
|
550
|
630
|
470
|
705
|
1030
|
|
280M
|
419
|
1080
|
|
315S
|
508
|
406
|
216
|
(65)/80
|
(140)170
|
(18)/22
|
(58)/71
|
(11)/14
|
315
|
28
|
600
|
550
|
660
|
24
|
6
|
744
|
645
|
576
|
875
|
(1270)/1300
|
|
315M
|
457
|
(1320)/1350
|
|
315L
|
508
|
|
355M
|
610
|
560
|
254
|
(75)/95
|
(20)/25
|
(67.5)/86
|
(12)/14
|
355
|
740
|
680
|
800
|
740
|
750
|
680
|
1045
|
(1560)/1590
|
|
355L
|
630
|
|
注:表格中括号内的数字为2极数据 。Note :The data in bracket refer to 2 poles motors.
|
V1 型(V1 Type)
机座号
Frame Size
|
安装及外形尺寸
Mounting and overall dimensions
|
|
D
|
E
|
F
|
G
|
GD
|
M
|
N
|
P
|
S
|
R
|
T
|
AC
|
AD
|
HF
|
L
|
|
80M
|
19
|
40
|
6
|
15.5
|
6
|
165
|
130
|
200
|
12
|
0±1.5
|
3.5
|
175
|
160
|
260
|
350
|
|
90S
|
24
|
50
|
8
|
20
|
7
|
205
|
175
|
270
|
440
|
|
90L
|
475
|
|
100L
|
28
|
60
|
24
|
215
|
180
|
250
|
15
|
0±2.0
|
4
|
215
|
185
|
300
|
480
|
|
112M
|
255
|
195
|
320
|
520
|
|
132S
|
38
|
80
|
10
|
33
|
8
|
265
|
230
|
300
|
310
|
245
|
380
|
580
|
|
132M
|
590
|
|
160M
|
42
|
110
|
12
|
37
|
300
|
250
|
350
|
19
|
0±3.0
|
5
|
340
|
270
|
450
|
740
|
|
160L
|
815
|
|
180M
|
48
|
14
|
42.5
|
9
|
390
|
290
|
490
|
830
|
|
180L
|
845
|
|
200L
|
55
|
16
|
49
|
10
|
350
|
300
|
400
|
445
|
355
|
550
|
940
|
|
225S
|
(55)/60
|
(110)/140
|
(16)/18
|
(49)/53
|
(10)/11
|
400
|
350
|
450
|
0±4.0
|
495
|
370
|
610
|
945
|
|
225M
|
(945)/975
|
|
250M
|
(60)/65
|
140
|
18
|
(53)/58
|
11
|
500
|
450
|
550
|
550
|
455
|
645
|
1095
|
|
280S
|
(65)/75
|
(18)/20
|
(58)/67.5
|
(11)/12
|
630
|
470
|
720
|
1155
|
|
280M
|
1195
|
|
315S
|
(65)/80
|
(140)170
|
(18)/22
|
(58)/71
|
(11)/14
|
600
|
550
|
660
|
24
|
6
|
645
|
576
|
900
|
(1370)1400
|
|
315M
|
(1460)1490
|
|
315L
|
|
355M
|
(75)/95
|
(20)/25
|
(67.5)/86
|
(12)/14
|
740
|
680
|
800
|
750
|
680
|
1035
|
(1650)1680
|
|
355L
|
|
注:表格中括号内的数字为2极数据。The data in bracket refer to 2 poles motors.
|
B5型(B5 Type)
机座号
Frame size
|
安装及外形尺寸
Mounting and overall dimensions
|
|
D
|
E
|
F
|
G
|
GD
|
M
|
N
|
P
|
R
|
S
|
T
|
AC
|
AD
|
HF
|
L
|
|
80M
|
19
|
40
|
6
|
15.5
|
6
|
165
|
130
|
200
|
0±1.5
|
12
|
3.5
|
175
|
160
|
230
|
305
|
|
90S
|
24
|
50
|
8
|
20
|
7
|
205
|
175
|
235
|
395
|
|
90L
|
425
|
|
100L
|
28
|
60
|
24
|
215
|
180
|
250
|
0±2.0
|
15
|
4
|
215
|
185
|
275
|
435
|
|
112M
|
255
|
195
|
285
|
475
|
|
132S
|
38
|
80
|
10
|
33
|
8
|
265
|
230
|
300
|
310
|
245
|
340
|
535
|
|
132M
|
550
|
|
160M
|
42
|
110
|
12
|
37
|
300
|
250
|
350
|
0±3.0
|
19
|
5
|
340
|
270
|
400
|
730
|
|
160L
|
760
|
|
180M
|
48
|
14
|
42.5
|
9
|
390
|
290
|
435
|
805
|
|
180L
|
835
|
|
200L
|
55
|
16
|
49
|
10
|
350
|
300
|
400
|
445
|
355
|
480
|
890
|
|
225S
|
(55)/60
|
(110)/140
|
(16)/18
|
(49)/53
|
(10)/11
|
400
|
350
|
450
|
0±4.0
|
495
|
370
|
530
|
865
|
|
225M
|
(865)/895
|
|
注:表格中括号内的数字为2极数据。The data in bracket refer to 2 poles motors.
|
机座号
Frame Size
|
外形及安装尺寸
Mounting and Overall Dimension
|
|
B34
|
B14、B34
|
B3、B34
|
B14
|
L
|
|
A
|
B
|
C
|
D
|
E
|
F
|
G
|
H
|
K
|
M
|
N
|
P
|
S
|
T
|
AB
|
AC
|
HD
|
AD
|
|
80
|
125
|
100
|
50
|
19
|
40
|
6
|
16
|
80
|
10
|
100
|
80
|
120
|
M6
|
3
|
165
|
175
|
240
|
160
|
305
|
|
90S
|
140
|
100
|
56
|
24
|
50
|
8
|
20
|
90
|
115
|
95
|
140
|
M8
|
180
|
205
|
270
|
175
|
395
|
|
90L
|
140
|
125
|
56
|
24
|
50
|
90
|
115
|
95
|
140
|
180
|
175
|
425
|
|
100L
|
160
|
140
|
63
|
28
|
60
|
24
|
100
|
12
|
130
|
110
|
160
|
3.5
|
205
|
215
|
290
|
185
|
435
|
|
112M
|
190
|
70
|
112
|
130
|
110
|
160
|
245
|
255
|
320
|
195
|
475
|
|
132S
|
216
|
89
|
38
|
80
|
10
|
33
|
132
|
165
|
130
|
200
|
M10
|
280
|
310
|
365
|
245
|
535
|
|
132M
|
178
|
165
|
130
|
200
|
550
|
注:本产品样本中,所有产品数据参数仅供参考,如有疑问请与工厂联系,并以定货时提供给用户的确认资料为准。
Note:All data shown on this catalogue is just for reference, all the data should be confirmed by final order, if you have any other questions, please contact us.
|