YT2-H系列船用轴流风机用三相异步电动机
YT2-H Series Three-phase Marine Asynchronous Motor For Axial Flow Fan
YT2-H系列船用轴流风机用三相异步电动机是为船舶通风机设计的专用电动机。除外形及安装尺寸外,其他性能指标与Y-H系列电动机相同。YT2-H系列电动机为全封闭、鼠笼型电动机,具有高效、节能、起动转矩大、性能好、噪声低等优点。
YT2-H series motors are specially designed for marine axial flow fan. the only difference between YT2-H series motors and Y-H series motors is mounting and overall dimension. This series motors are totally-enclosed, squirrel-caged type. It has advantage of high efficiency、energy-saving、big starting torque、good performance、low noise and so on.
工作环境条件(Operating Conditions)
环境温度(Ambient Temperature):0~+45℃;
海 拔(Altitude):0m;
额定频率(Rated Frequency):50Hz或60Hz;50 Hz or 60Hz ;
额定电压(Rated Voltage):380V或440V;380V or 440V;
接线方法(Connection):3kW以下为Y,其他功率为△(3kW or Less Y、more than 3kW △);
工作方式(Duty Type):连续S1(Continuous)。
技术数据(Technical Data)
型号
Type
|
功率
Output kW
|
电流
Current A
|
转速
Speed r/min
|
型号
Type
|
功率
Output kW
|
电流
Current A
|
转速
Speed r/min
|
|
380V 50Hz
|
440V 60Hz
|
380V 50Hz
|
440V 60Hz
|
380V 50Hz
|
440V 60Hz
|
380V 50Hz
|
440V 60Hz
|
|
YT2-631-2-H
|
0.18
|
0.52
|
0.45
|
2720
|
3300
|
YT2-200L-4-H
|
30
|
57.3
|
49.8
|
1476
|
1779
|
|
YT2-632-2-H
|
0.25
|
0.69
|
0.6
|
2720
|
3300
|
YT2-225S-4-H
|
37
|
70.2
|
60.3
|
1480
|
1783
|
|
YT2-711-2-H
|
0.37
|
0.99
|
0.87
|
2760
|
3380
|
YT2-225M-4-H
|
45
|
84
|
73.4
|
1480
|
1783
|
|
YT2-712-2-H
|
0.55
|
1.38
|
1.2
|
2760
|
3380
|
YT2-250M-4-H
|
55
|
103.8
|
88.7
|
1480
|
1780
|
|
YT2-80M1-2-H
|
0.75
|
1.8
|
1.6
|
2820
|
3460
|
YT2-280S-4-H
|
75
|
139.2
|
120
|
1480
|
1790
|
|
YT2-80M2-2-H
|
1.1
|
2.6
|
2.2
|
2820
|
3460
|
YT2-280M-4-H
|
90
|
164.3
|
141.9
|
1480
|
1790
|
|
YT2-90S-2-H
|
1.5
|
3.5
|
3.1
|
2840
|
3470
|
YT2-711-6-H
|
0.18
|
0.74
|
0.64
|
880
|
1090
|
|
YT2-90L-2-H
|
2.2
|
4.9
|
4.3
|
2840
|
3470
|
YT2-712-6-H
|
0.25
|
0.95
|
0.82
|
880
|
1090
|
|
YT2-100L-2-H
|
3
|
6.4
|
5.4
|
2880
|
3490
|
YT2-80M1-6-H
|
0.37
|
1.31
|
1.13
|
890
|
1110
|
|
YT2-112M-2-H
|
4
|
8.2
|
7.2
|
2890
|
3500
|
YT2-80M2-6-H
|
0.55
|
1.7
|
1.47
|
890
|
1110
|
|
YT2-132S1-2-H
|
5.5
|
11
|
9.6
|
2900
|
3520
|
YT2-90S-6-H
|
0.75
|
2.2
|
2
|
910
|
1130
|
|
YT2-132S2-2-H
|
7.5
|
14.6
|
12.9
|
2900
|
3520
|
YT2-90L-6-H
|
1.1
|
3.2
|
2.9
|
910
|
1130
|
|
YT2-160M1-2-H
|
11
|
21.6
|
18.7
|
2930
|
3540
|
YT2-100L-6-H
|
1.5
|
4
|
3.5
|
940
|
1150
|
|
YT2-160M2-2-H
|
15
|
28.9
|
25.1
|
2930
|
3540
|
YT2-112M-6-H
|
2.2
|
5.8
|
5.2
|
940
|
1150
|
|
YT2-160L-2-H
|
18.5
|
35.7
|
30.3
|
2930
|
3540
|
YT2-132S-6-H
|
3
|
7.2
|
6.4
|
960
|
1170
|
|
YT2-180M-2-H
|
22
|
42.2
|
36.9
|
2940
|
3550
|
YT2-132M1-6-H
|
4
|
9.5
|
8.2
|
960
|
1170
|
|
YT2-200L1-2-H
|
30
|
57.9
|
50.3
|
2955
|
3565
|
YT2-132M2-6-H
|
5.5
|
12.5
|
10.7
|
960
|
1170
|
|
YT2-200L2-2-H
|
37
|
69.4
|
60.3
|
2960
|
3565
|
YT2-160M-6-H
|
7.5
|
17.1
|
14.8
|
970
|
1170
|
|
YT2-225M-2-H
|
45
|
85.9
|
76.3
|
2969
|
3572
|
YT2-160L-6-H
|
11
|
25
|
21.7
|
970
|
1170
|
|
YT2-250M-2-H
|
55
|
103.2
|
91.7
|
2970
|
3570
|
YT2-180L-6-H
|
15
|
33
|
29.3
|
970
|
1180
|
|
YT2-280S-2-H
|
75
|
139.2
|
120.9
|
2970
|
3580
|
YT2-200L1-6-H
|
18.5
|
37.6
|
32.7
|
980
|
1183
|
|
YT2-280M-2-H
|
90
|
167.1
|
143.5
|
2970
|
3580
|
YT2-200L2-6-H
|
22
|
44.7
|
38.9
|
980
|
1182
|
|
YT2-631-4-H
|
0.12
|
0.44
|
0.38
|
1340
|
1650
|
YT2-225M-6-H
|
30
|
61.1
|
53.1
|
985
|
1187
|
|
YT2-632-4-H
|
0.18
|
0.62
|
0.54
|
1340
|
1650
|
YT2-250M-6-H
|
37
|
71.0
|
61.3
|
980
|
1180
|
|
YT2-711-4-H
|
0.25
|
0.78
|
0.67
|
1350
|
1660
|
YT2-280S-6-H
|
45
|
86.4
|
74.6
|
980
|
1190
|
|
YT2-712-4-H
|
0.37
|
1.12
|
0.97
|
1350
|
1660
|
YT2-280M-6-H
|
55
|
103.2
|
89.7
|
980
|
1190
|
|
YT2-801-4-H
|
0.55
|
1.5
|
1.4
|
1390
|
1710
|
YT2-132S-8-H
|
2.2
|
5.8
|
5.2
|
710
|
860
|
|
YT2-802-4-H
|
0.75
|
2.1
|
1.8
|
1390
|
1710
|
YT2-132M-8-H
|
3
|
7.6
|
6.8
|
710
|
860
|
|
YT2-90S-4-H
|
1.1
|
2.7
|
2.4
|
1400
|
1710
|
YT2-160M1-8-H
|
4
|
10.5
|
9.1
|
720
|
870
|
|
YT2-90L-4-H
|
1.5
|
3.6
|
3.2
|
1400
|
1710
|
YT2-160M2-8-H
|
5.5
|
13.4
|
11.5
|
720
|
870
|
|
YT2-100L1-4-H
|
2.2
|
5
|
4.5
|
1420
|
1730
|
YT2-160L-8-H
|
7.5
|
17.7
|
15.5
|
720
|
870
|
|
YT2-100L2-4-H
|
3
|
6.8
|
5.9
|
1420
|
1730
|
YT2-180L-8-H
|
11
|
25.6
|
22.2
|
730
|
880
|
|
YT2-112M-4-H
|
4
|
8.9
|
7.7
|
1440
|
1750
|
YT2-200L-8-H
|
15
|
33.3
|
29.2
|
729
|
882
|
|
YT2-132S-4-H
|
5.5
|
11.7
|
10
|
1440
|
1750
|
YT2-225S-8-H
|
18.5
|
40.3
|
35.6
|
735
|
886
|
|
YT2-132M-4-H
|
7.5
|
15.4
|
13.2
|
1440
|
1750
|
YT2-225M-8-H
|
22
|
47.4
|
41.7
|
734
|
886
|
|
YT2-160M-4-H
|
11
|
22.6
|
19.5
|
1460
|
1760
|
YT2-250M-8-H
|
30
|
64.7
|
57.1
|
730
|
890
|
|
YT2-160L-4-H
|
15
|
30.5
|
26.3
|
1460
|
1760
|
YT2-280S-8-H
|
37
|
79.8
|
68.9
|
740
|
890
|
|
YT2-180M-4-H
|
18.5
|
35.9
|
30.8
|
1470
|
1770
|
YT2-280M-8-H
|
45
|
94.8
|
80.8
|
740
|
890
|
|
YT2-180L-4-H
|
22
|
42.2
|
36.9
|
1470
|
1770
|
|
|
|
|
|
|
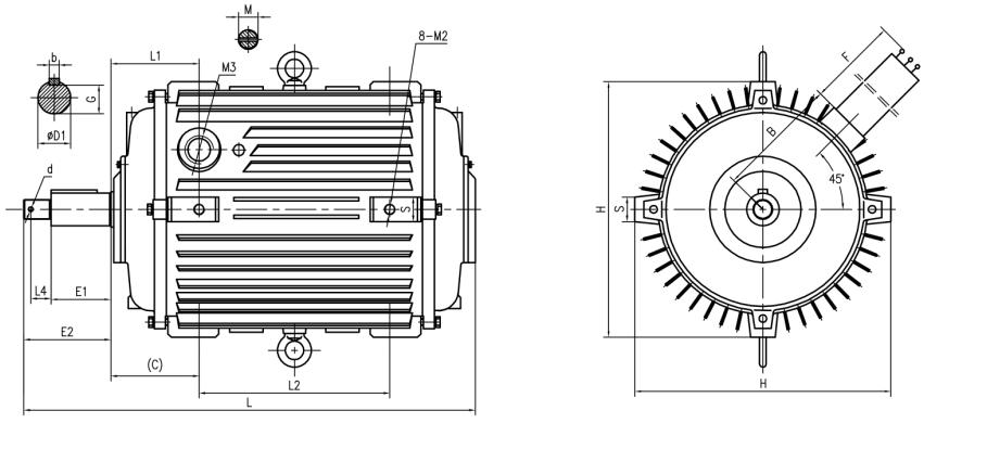
外形及安装尺寸
(Mounting and Overall Dimensions)
尺寸
机座号
|
D1
|
b
|
G
|
E1
|
E2
|
L
|
C
|
L1
|
L2
|
F
|
L4
|
B
|
M
|
H
|
d
|
M3
|
8-M2
|
S
|
|
63
|
14
|
5
|
11
|
30
|
46
|
200
|
40
|
40
|
80
|
200
|
10
|
66
|
M8
|
140
|
2.7
|
G 3 4
|
M8深12
|
24
|
|
71
|
220
|
45
|
45
|
90
|
200
|
73
|
155
|
M8深14
|
24
|
|
80M
|
19
|
6
|
15.5
|
40
|
62
|
270
|
50
|
50
|
100
|
240
|
16
|
82
|
M12
|
175
|
3.2
|
M8深20
|
24
|
|
90S
|
24
|
8
|
20
|
50
|
78
|
295
|
56
|
56
|
100
|
240
|
20
|
90
|
M16
|
190
|
4.2
|
M10深20
|
28
|
|
90L
|
24
|
8
|
20
|
50
|
78
|
330
|
56
|
56
|
135
|
300
|
20
|
90
|
M16
|
190
|
4.2
|
M12深20
|
28
|
|
100L
|
28
|
8
|
24
|
60
|
92
|
365
|
55.5
|
55.5
|
155
|
340
|
24
|
102
|
M20
|
215
|
4.2
|
M12深20
|
32
|
|
112M
|
28
|
8
|
24
|
60
|
92
|
375
|
60
|
60
|
160
|
330
|
24
|
122
|
M20
|
255
|
4.2
|
M12深20
|
34
|
|
132S
|
38
|
10
|
33
|
80
|
119
|
450
|
68
|
68
|
182
|
400
|
31
|
140
|
M30
|
290
|
6.2
|
G1
|
M16深20
|
45
|
|
132M
|
38
|
10
|
33
|
80
|
119
|
490
|
68
|
68
|
220
|
450
|
31
|
140
|
M30
|
290
|
6.2
|
M16深20
|
45
|
|
160M
|
42
|
12
|
37
|
110
|
150
|
575
|
108
|
108
|
210
|
475
|
31
|
164
|
M30
|
340
|
6.2
|
M16深24
|
45
|
|
160L
|
42
|
12
|
37
|
110
|
150
|
620
|
108
|
108
|
254
|
630
|
31
|
164
|
M30
|
340
|
6.2
|
M16深24
|
45
|
|
180M
|
48
|
14
|
42.5
|
110
|
150
|
660
|
121
|
121
|
270
|
650
|
31
|
180
|
M30
|
380
|
6.2
|
M16深20
|
45
|
|
180L
|
48
|
14
|
42.5
|
110
|
150
|
700
|
121
|
121
|
310
|
650
|
31
|
180
|
M30
|
380
|
6.2
|
M16深20
|
45
|
|
200L
|
55
|
16
|
49
|
110
|
160
|
780
|
133
|
133
|
340
|
650
|
36
|
200
|
M36
|
420
|
6.2
|
G1 1 4
|
M16深20
|
40
|
|
225S
|
60
|
18
|
53
|
110
|
160
|
850
|
162
|
162
|
350
|
800
|
36
|
225
|
M36
|
470
|
6.2
|
M20深20
|
45
|
|
225M
|
60
|
18
|
53
|
110
|
160
|
850
|
162
|
162
|
350
|
800
|
36
|
225
|
M36
|
470
|
6.2
|
M20深20
|
45
|
|
250M
|
65
|
18
|
58
|
140
|
180
|
865
|
172.5
|
180
|
340
|
800
|
—
|
239
|
M42
|
476
|
—
|
G2 1 4
|
M16深24
|
50
|
|
280S
|
75
|
20
|
67.5
|
140
|
180
|
930
|
162
|
173
|
424
|
800
|
—
|
267
|
M52
|
540
|
—
|
M16深26
|
46
|
|
280M
|
75
|
20
|
67.5
|
140
|
180
|
980
|
162
|
173
|
475
|
800
|
—
|
267
|
M52
|
540
|
—
|
M16深26
|
46
|
注:本产品样本中,所有产品数据参数仅供参考,如有疑问请与工厂联系,并以定货时提供给用户的确认资料为准。
Note:All data shown on this catalogue is just for reference, all the data should be confirmed by final order, if you have any other questions, please contact us.
|