YD-H系列船用多速三相异步电动机(机座号80~315)
YD-H Series Mutiple-speed Three phase Marine Asynchronous Motor (Frame Size80~315)
产品概述 (Product Overview )
YD—H 系列三相异步电动机是自扇冷式,全封闭,多速,鼠笼式,船用三相异步电动机,该类电动机具有可随负载性质的要求而有级地变化转速,从而达到功率的合理匹配和简化多速系统的特点。该电机适用于船舶上驱动需要变速的各种机械。该产品具有效率高,节能,起动转矩大、性能好、噪声低,振动小等特点。
YD—H Series are totally-enclosed, fan-cooled,mutiple-speed, three-phase marine asynchronous motors of squirrel caged type. motors adopts steep speed regulation according to variation in load.so as to the match of power are resonalble and multi-speed driving is simplified. The motors are suitable for driving marine machines which need varied speed. It has the feature of high efficiency, energy-saving,large starting torque,good performance, low virbration and so on.
工作环境条件(Operating Conditions)
海拔≤1000m
Altitude should be lower than 1000m above sea level
环境温度: 0~+45℃
Ambient temperature 0~+45℃
空气相对湿度 ≤95%
Relative humidity should be less than 95%.
倾斜: ±30°
Inclination :±30°
摇摆: ±22.5°
Swing:±22.5°
有盐雾、油雾、霉菌及海水的影响
Influenced by Dew、Salt mist、Oil mist、Fungus and sea water.
有船舶和近海装置正常营运和作业中产生的冲击、振动的影响
Influenced by shock and vibration come from ships and offshore installation.
防护等级:IP56; 绝缘等级:F
Protection :IP56 ; Insulation :F
电压/频率:380V/50Hz
Voltage/Frequency: 380V/50Hz
型号说明(Type Designation)
技术数据(Technical Data)
|
型号 Type
|
功 率 Output kW
|
额定电流 Rated Current A
|
额定转速 Rated Speed r/min
|
接 法 CONN.
|
型号 Type
|
功 率 Output kW
|
额定电流 Rated Current A
|
额定转速 Rated Speed r/min
|
接 法 CONN.
|
|
YD80M1-2/4-H
|
0.55/0.45
|
1.5/1.4
|
2860/1420
|
YY/△
|
YD160L-6/12-H
|
7/3.7
|
15.8/16.1
|
970/480
|
YY/△
|
|
YD80M2-2/4-H
|
0.75/0.55
|
2.0/1.7
|
2860/1420
|
YD160L-2/4/6-H
|
9/7/4.5
|
18.8/15.1/11.4
|
2940/1470/970
|
YY/△/Y
|
|
YD90S-2/4-H
|
1.1/0.85
|
2.8/2.3
|
2845/1415
|
YD160L-2/4/8-H
|
9/7/2.8
|
18.8/15.1/9.2
|
2940/1470/730
|
|
YD90L-2/4-H
|
1.8/1.3
|
4.4/3.3
|
2850/1410
|
YD160L-4/6/8-H
|
7.5/6/4.5
|
15.6/14.5/13.8
|
1460/980/730
|
|
YD90S-4/6-H
|
0.85/0.65
|
2.3/2.3
|
1410/920
|
YD180M-2/4-H
|
18.5/15
|
36.7/29.4
|
2910/1470
|
YY/△
|
|
YD90L-4/6-H
|
1.1/0.85
|
3.0/2.8
|
1415/925
|
YD180M-4/6-H
|
14/11
|
29.8/25.9
|
1470/980
|
|
YD90L-4/8-H
|
0.75/0.45
|
1.9/1.9
|
1390/670
|
YD180M-6/8-H
|
10/7.5
|
24.5/21.9
|
980/730
|
|
YD90S-6/8-H
|
0.45/0.35
|
1.4/1.6
|
930/675
|
YD180L-2/4-H
|
22/18.5
|
42.9/35.9
|
2910/1470
|
|
YD90L-6/8-H
|
0.65/0.45
|
1.8/1.9
|
920/680
|
YD180L-4/6-H
|
16/13
|
33.7/29.8
|
1470/980
|
|
YD100L1-2/4-H
|
2.4/2.0
|
5.6/4.8
|
2850/1430
|
YD180L-4/8-H
|
17/11
|
32.3/26.7
|
1470/730
|
|
YD100L2-2/4-H
|
3.0/2.4
|
6.7/5.6
|
2850/1430
|
YD180L-6/8-H
|
12/9
|
28.3/24.8
|
980/730
|
|
YD100L1-4/6-H
|
1.8/1.3
|
4.4/3.8
|
1440/940
|
YD180L-6/12-H
|
10/5.5
|
20.5/19.6
|
980/490
|
|
YD100L2-4/6-H
|
2.2/1.5
|
5.4/4.3
|
1430/940
|
YD200L-2/4-H
|
30/26
|
58.3/49.9
|
2950/1470
|
|
YD100L-4/8-H
|
1.5/0.85
|
3.5/3.1
|
1410/710
|
YD200L-4/6-H
|
22/18.5
|
44.9/41.4
|
1460/980
|
|
YD100L-6/8-H
|
1.1/0.75
|
3.1/2.9
|
950/710
|
YD200L1-4/8-H
|
22/14
|
41.3/33
|
1470/740
|
|
YD100L-2/4/6-H
|
1.8/1.3/0.75
|
4.5/3.7/2.6
|
2900/1450/950
|
YY/△/Y
|
YD200L2-4/8-H
|
26/17
|
48.8/40.1
|
1470/740
|
|
YD112M-2/4-H
|
4.0/3.0
|
8.6/7.4
|
2960/1460
|
YY/△
|
YD200L1-6/8-H
|
17/12
|
39.1/32.6
|
980/730
|
|
YD112M-4/6-H
|
2.8/2.2
|
6.7/5.7
|
1450/945
|
YD200L2-6/8-H
|
20/15
|
45.4/40.3
|
980/730
|
|
YD112M-4/8-H
|
2.4/1.5
|
5.3/5.0
|
1445/690
|
YD200L1-6/12-H
|
13/7.5
|
26.4/24.5
|
970/490
|
|
YD112M-6/8-H
|
1.8/1.3
|
4.8/4.5
|
950/695
|
YD200L2-6/12-H
|
15/9
|
30.1/28.9
|
970/490
|
|
YD112M-2/4/6-H
|
2.4/2.0/1.1
|
5.8/5.1/3.5
|
2975/1465/960
|
YY/△/Y
|
YD200L-4/6/8-H
|
17/13/10
|
33.4/28.7/24.8
|
1470/980/740
|
YY/△/Y
|
|
YD112M-2/4/8-H
|
2.4/2.0/0.65
|
5.8/5.1/2.7
|
2975/1465/685
|
YD225S-2/4-H
|
37/32
|
71.1/60.7
|
2960/1470
|
YY/△
|
|
YD112M-4/6/8-H
|
1.5/1.0/0.85
|
3.5/3.1/3.7
|
1460/950/700
|
YD225S-4/6-H
|
28/22
|
56.5/44.2
|
1470/980
|
|
YD132S-2/4-H
|
5.5/4.5
|
11.9/9.8
|
2955/1470
|
YY/△
|
YD225M-2/4-H
|
45/37
|
86.4/69.4
|
2960/1470
|
|
YD132S-4/6-H
|
4/3
|
9.5/7.7
|
1470/960
|
YD225M-4/6-H
|
32/26
|
63.2/52.2
|
1470/980
|
|
YD132S-4/8-H
|
3.3/2.2
|
7.1/7.0
|
1460/710
|
YD225M-4/8-H
|
34/24
|
66.7/53.2
|
1470/740
|
|
YD132S-6/8-H
|
2.4/1.8
|
6.2/5.8
|
970/710
|
YD225M-6/12-H
|
20/12
|
39.7/35.2
|
980/480
|
|
YD132S-2/4/6-H
|
3/2.6/1.8
|
7.4/6.1/5.1
|
2970/1470/970
|
YY/△/Y
|
YD225S-4/6/8-H
|
24/18.5/14
|
48/40/35
|
1480/990/740
|
YY/△/Y
|
|
YD132S-2/4/8-H
|
3/2.6/1
|
7.0/5.9/3.5
|
2970/1470/710
|
YD225M-4/6/8-H
|
28/22/17
|
54.3/45.2/42.4
|
1480/990/740
|
|
YD132S-4/6/8-H
|
1.8/1.5/1.1
|
4.0/4.2/4.1
|
1470/970/720
|
YD250M-2/4-H
|
52/45
|
98.7/84.4
|
2960/1480
|
YY/△
|
|
YD132M-2/4-H
|
8/6.5
|
17.1/13.8
|
2960/1470
|
YY/△
|
YD250M-4/6-H
|
42/32
|
81.1/62.1
|
1480/980
|
|
YD132M-4/6-H
|
5.5/4
|
12.3/9.8
|
1470/960
|
YD250M-4/8-H
|
42/30
|
78.8/65.8
|
1460/740
|
|
YD132M-4/8-H
|
4.5/3
|
9.4/9.0
|
1460/710
|
YD250M-6/12-H
|
24/15
|
47.5/42.1
|
980/490
|
|
YD132M-6/8-H
|
3.7/2.6
|
6.2/5.8
|
970/710
|
YD250M-4/6/8-H
|
34/26/24
|
64.5/52.8/55.3
|
1480/985/740
|
YY/△/Y
|
|
YD132M1-2/4/6-H
|
4/3.3/2.2
|
8.8/7.5/6.0
|
2970/1470/970
|
YY/△/Y
|
YD280S-2/4-H
|
72/60
|
136.7/111.3
|
2950/1470
|
YY/△
|
|
YD132M2-2/4/6-H
|
5/4/2.6
|
10.8/9.0/6.9
|
2970/1470/710
|
YD280S-4/6-H
|
55/42
|
106.7/81.5
|
1470/980
|
|
YD132M-2/4/8-H
|
4.5/3.7/1.3
|
10/8.4/4.6
|
YD280S-4/8-H
|
55/40
|
102/83.5
|
1470/730
|
|
YD132M1-4/6/8-H
|
2.2/2/1.5
|
4.9/5.4/5.2
|
1470/970/720
|
YD280S-6/12-H
|
30/20
|
59/55
|
970/490
|
|
YD132M2-4/6/8-H
|
3/2.6/1.8
|
6.5/6.8/6.1
|
YD280S-4/6/8-H
|
42/34/30
|
78/67.5/68.5
|
1480/980/740
|
YY/△/Y
|
|
YD160M-2/4-H
|
11/9
|
22.9/18.5
|
2920/1460
|
YY/△
|
YD280M-2/4-H
|
82/72
|
154/134
|
2950/1470
|
YY/△
|
|
YD160M-4/6-H
|
8/6.5
|
17.4/15.1
|
1460/960
|
YD280M-4/6-H
|
67/55
|
131.5/107
|
1470/980
|
|
YD160M-4/8-H
|
7.5/5
|
15.2/13.9
|
1450/730
|
YD280M-4/8-H
|
67/47
|
123/97
|
1470/730
|
|
YD160M-6/8-H
|
6/4.5
|
14.7/13.3
|
970/730
|
YD280M-6/12-H
|
37/24
|
73/64
|
970/490
|
|
YD160M-6/12-H
|
5.0/2.6
|
11.9/11.6
|
970/480
|
YD280M-4/6/8-H
|
50/37/34
|
93/73.5/77.5
|
1480/980/740
|
YY/△/Y
|
|
YD160M-2/4/6-H
|
6/5/3.7
|
13.2/11.2/9.5
|
2940/1470/970
|
YY/△/Y
|
YD315M-2/4-H
|
110/82
|
202/152.5
|
2950/1470
|
YY/△
|
|
YD160M-2/4/8-H
|
6/5/2.2
|
13.2/11.2/7.6
|
2940/1470/730
|
YD315M-4/6-H
|
90/72
|
175/138.1
|
1470/980
|
|
YD160M-4/6/8-H
|
5.5/4/3.3
|
11.6/9.9/10.2
|
1460/980/730
|
YD315M-4/8-H
|
82/55
|
150.5/113.5
|
1470/730
|
|
YD160L-2/4-H
|
14/11
|
28.8/22.3
|
2920/1460
|
YY/△
|
YD315L-2/4-H
|
132/90
|
242.5/167
|
2950/1470
|
|
YD160L-4/6-H
|
11/9
|
23.7/20.6
|
1460/960
|
YD315L-4/6-H
|
110/82
|
209/157.3
|
1470/980
|
|
YD160L-4/8-H
|
11/7
|
21.8/19
|
1450/730
|
YD315L-4/8-H
|
90/72
|
167/144
|
1470/730
|
|
YD160L-6/8-H
|
8/6
|
19.4/17.5
|
970/730
|
|
|
|
|
|
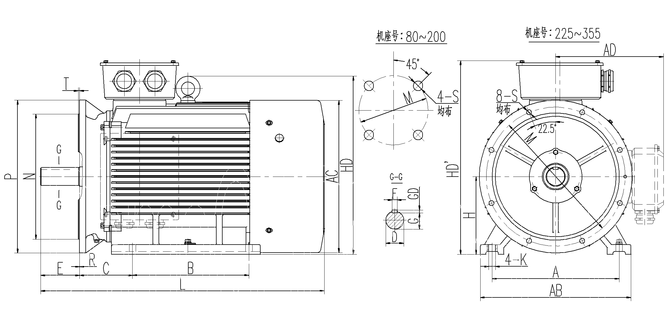
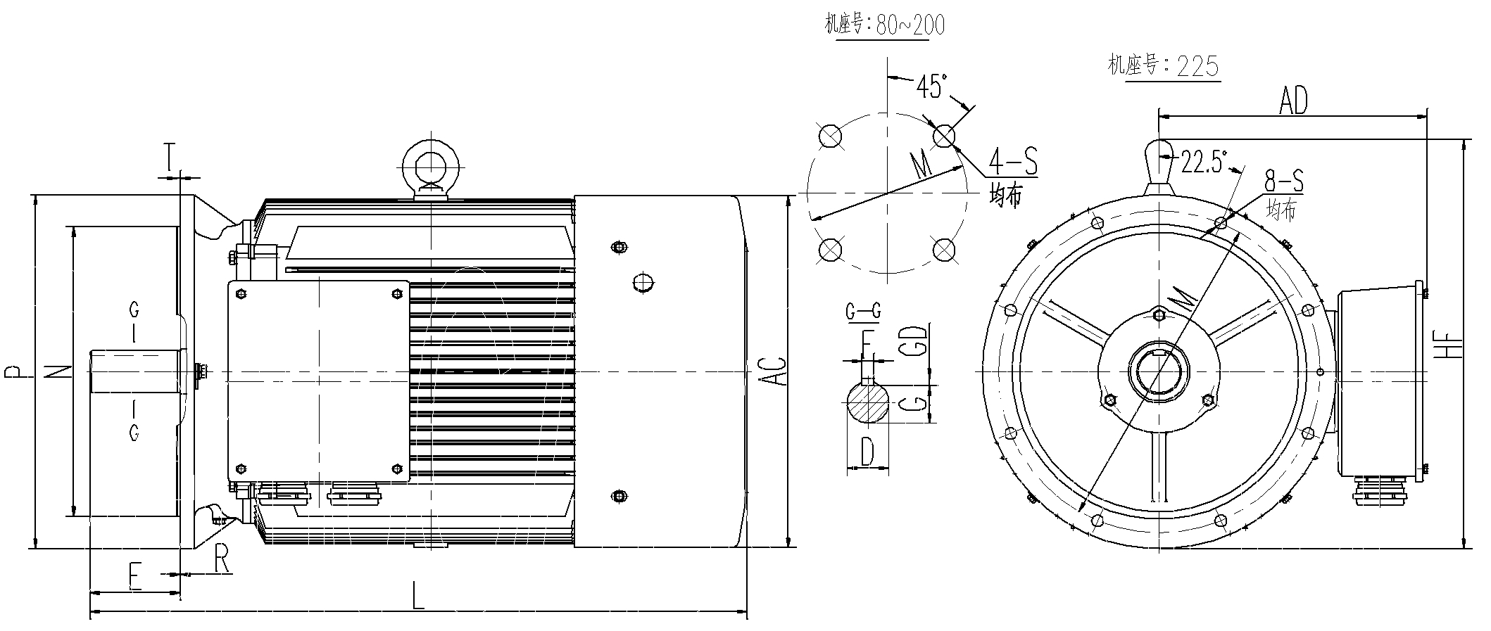
外形及安装尺寸
(Mounting and Overall Dimensions)
机座号
Frame Size
|
安装及外形尺寸
Mounting and overall dimensions
|
|
A
|
B
|
C
|
D
|
E
|
F
|
G
|
GD
|
H
|
K
|
AB
|
AC
|
AD
|
HD
|
HD'
|
L
|
|
80M
|
125
|
100
|
50
|
19
|
40
|
6
|
15.5
|
6
|
80
|
10
|
165
|
175
|
160
|
205
|
240
|
295
|
|
90S
|
140
|
56
|
24
|
50
|
8
|
20
|
7
|
90
|
180
|
195
|
175
|
225
|
270
|
320
|
|
90L
|
125
|
360
|
|
100L
|
160
|
140
|
63
|
28
|
60
|
24
|
100
|
12
|
205
|
215
|
185
|
250
|
290
|
385
|
|
112M
|
190
|
70
|
112
|
245
|
240
|
195
|
270
|
320
|
405
|
|
132S
|
216
|
89
|
38
|
80
|
10
|
33
|
8
|
132
|
280
|
275
|
245
|
320
|
365
|
500
|
|
132M
|
178
|
540
|
|
160M
|
254
|
210
|
108
|
42
|
110
|
12
|
37
|
160
|
15
|
330
|
330
|
270
|
385
|
440
|
605
|
|
160L
|
254
|
650
|
|
180M
|
279
|
241
|
121
|
48
|
14
|
42.5
|
9
|
180
|
355
|
380
|
290
|
425
|
475
|
670
|
|
180L
|
279
|
710
|
|
200L
|
318
|
305
|
133
|
55
|
16
|
49
|
10
|
200
|
19
|
395
|
420
|
355
|
475
|
525
|
780
|
|
225S
|
356
|
286
|
149
|
60
|
140
|
18
|
53
|
11
|
225
|
435
|
470
|
370
|
530
|
580
|
830
|
|
225M
|
311
|
850
|
|
250M
|
406
|
349
|
168
|
65
|
140
|
18
|
58
|
11
|
250
|
24
|
490
|
510
|
455
|
570
|
650
|
935
|
|
280S
|
457
|
368
|
190
|
75
|
20
|
67.5
|
12
|
280
|
550
|
580
|
470
|
640
|
705
|
1020
|
|
280M
|
419
|
1070
|
|
315S
|
508
|
406
|
216
|
80
|
170
|
22
|
71
|
14
|
315
|
28
|
744
|
645
|
576
|
865
|
875
|
1270
|
|
315M
|
457
|
1340
|
|
315L
|
508
|
机座号
Frame size
|
安装及外形尺寸
Mounting and overall dimensions
|
|
A
|
B
|
C
|
D
|
E
|
F
|
G
|
GD
|
H
|
K
|
M
|
N
|
P
|
R
|
S
|
T
|
AB
|
AC
|
AD
|
HD
|
HD'
|
L
|
|
80M
|
125
|
100
|
50
|
19
|
40
|
6
|
15.5
|
6
|
80
|
10
|
165
|
130
|
200
|
0±1.5
|
12
|
3.5
|
165
|
175
|
160
|
205
|
240
|
295
|
|
90S
|
140
|
56
|
24
|
50
|
8
|
20
|
7
|
90
|
180
|
195
|
175
|
225
|
270
|
320
|
|
90L
|
125
|
360
|
|
100L
|
160
|
140
|
63
|
28
|
60
|
24
|
100
|
12
|
215
|
180
|
250
|
0±2.0
|
15
|
4
|
205
|
215
|
185
|
250
|
290
|
385
|
|
112M
|
190
|
70
|
112
|
245
|
240
|
195
|
270
|
320
|
405
|
|
132S
|
216
|
89
|
38
|
80
|
10
|
33
|
8
|
132
|
265
|
230
|
300
|
280
|
275
|
245
|
320
|
365
|
500
|
|
132M
|
178
|
540
|
|
160M
|
254
|
210
|
108
|
42
|
110
|
12
|
37
|
160
|
15
|
300
|
250
|
350
|
0±3.0
|
19
|
5
|
330
|
330
|
270
|
385
|
440
|
605
|
|
160L
|
254
|
650
|
|
180M
|
279
|
241
|
121
|
48
|
14
|
42.5
|
9
|
180
|
355
|
380
|
290
|
425
|
475
|
670
|
|
180L
|
279
|
710
|
|
200L
|
318
|
305
|
133
|
55
|
16
|
49
|
10
|
200
|
19
|
350
|
300
|
400
|
395
|
420
|
355
|
475
|
525
|
780
|
|
225S
|
356
|
286
|
149
|
60
|
140
|
18
|
53
|
11
|
225
|
400
|
350
|
450
|
0±4.0
|
435
|
470
|
370
|
530
|
580
|
830
|
|
225M
|
311
|
850
|
|
250M
|
406
|
349
|
168
|
65
|
140
|
18
|
58
|
11
|
250
|
24
|
500
|
450
|
550
|
490
|
510
|
455
|
570
|
650
|
935
|
|
280S
|
457
|
368
|
190
|
75
|
20
|
67.5
|
12
|
280
|
550
|
580
|
470
|
640
|
705
|
1020
|
|
280M
|
419
|
1070
|
|
315S
|
508
|
406
|
216
|
80
|
170
|
22
|
71
|
14
|
315
|
28
|
600
|
550
|
660
|
24
|
6
|
744
|
645
|
576
|
865
|
875
|
1270
|
|
315M
|
457
|
1340
|
|
315L
|
508
|
1340
|
机座号
Frame Size
|
安装及外形尺寸
Mounting and overall dimensions
|
|
D
|
E
|
F
|
G
|
GD
|
M
|
N
|
P
|
S
|
R
|
T
|
AC
|
AD
|
HF
|
L
|
|
80M
|
19
|
40
|
6
|
15.5
|
6
|
165
|
130
|
200
|
12
|
0±1.5
|
3.5
|
175
|
160
|
260
|
335
|
|
90S
|
24
|
50
|
8
|
20
|
7
|
195
|
175
|
270
|
365
|
|
90L
|
400
|
|
100L
|
28
|
60
|
24
|
215
|
180
|
250
|
15
|
0±2.0
|
4
|
215
|
185
|
300
|
430
|
|
112M
|
240
|
195
|
320
|
450
|
|
132S
|
38
|
80
|
10
|
33
|
8
|
265
|
230
|
300
|
275
|
245
|
380
|
535
|
|
132M
|
575
|
|
160M
|
42
|
110
|
12
|
37
|
300
|
250
|
350
|
19
|
0±3.0
|
5
|
330
|
270
|
450
|
660
|
|
160L
|
705
|
|
180M
|
48
|
14
|
42.5
|
9
|
380
|
290
|
490
|
730
|
|
180L
|
765
|
|
200L
|
55
|
16
|
49
|
10
|
350
|
300
|
400
|
420
|
355
|
550
|
840
|
|
225S
|
60
|
140
|
18
|
53
|
11
|
400
|
350
|
450
|
0±4.0
|
470
|
370
|
610
|
890
|
|
225M
|
915
|
|
250M
|
65
|
140
|
18
|
58
|
11
|
500
|
450
|
550
|
510
|
455
|
645
|
995
|
|
280S
|
75
|
20
|
67.5
|
12
|
580
|
470
|
720
|
1090
|
|
280M
|
1140
|
|
315S
|
80
|
170
|
22
|
71
|
14
|
600
|
550
|
660
|
24
|
6
|
645
|
576
|
900
|
1390
|
|
315M
|
1490
|
|
315L
|
1490
|
机座号
Frame size
|
安装及外形尺寸
Mounting and overall dimensions
|
|
D
|
E
|
F
|
G
|
GD
|
M
|
N
|
P
|
R
|
S
|
T
|
AC
|
AD
|
HF
|
L
|
|
80M
|
19
|
40
|
6
|
15.5
|
6
|
165
|
130
|
200
|
0±1.5
|
12
|
3.5
|
175
|
160
|
230
|
295
|
|
90S
|
24
|
50
|
8
|
20
|
7
|
195
|
175
|
235
|
320
|
|
90L
|
360
|
|
100L
|
28
|
60
|
24
|
215
|
180
|
250
|
0±2.0
|
15
|
4
|
215
|
185
|
275
|
385
|
|
112M
|
240
|
195
|
285
|
405
|
|
132S
|
38
|
80
|
10
|
33
|
8
|
265
|
230
|
300
|
275
|
245
|
340
|
500
|
|
132M
|
540
|
|
160M
|
42
|
110
|
12
|
37
|
300
|
250
|
350
|
0±3.0
|
19
|
5
|
330
|
270
|
400
|
605
|
|
160L
|
650
|
|
180M
|
48
|
14
|
42.5
|
9
|
380
|
290
|
435
|
670
|
|
180L
|
710
|
|
200L
|
55
|
16
|
49
|
10
|
350
|
300
|
400
|
420
|
355
|
480
|
780
|
|
225S
|
60
|
140
|
18
|
53
|
11
|
400
|
350
|
450
|
0±4.0
|
470
|
370
|
530
|
830
|
|
225M
|
850
|
注:本产品样本中,所有产品数据参数仅供参考,如有疑问请与工厂联系,并以定货时提供给用户的确认资料为准。
Note:All data shown on this catalogue is just for reference, all the data should be confirmed by final order, if you have any other questions, please contact us.
> |