欢迎来到- 青岛佳海通电机有限公司 的官方网站, 船用三相异步电动机、船用轴流风机用三相异步电动机、轴流风机用三相异步电动机

联系我们俄文版英文版

提供专业的中小型电动机严格按照国内外相关标准生产制造

全国销售与服务热线

0532 - 8858 7866

产品展示

PRODUCTS

联系我们

CONTACT US

地址:山东省青岛市即墨区青岛汽车产业新城众合路100号

电话:0532-88587866

联系人:李经理 15588997166(微信同号)

网址:www.cnmarinemotor.com

邮箱:info@qddhdj.com

产品展示 / PRODUCTS 当前位置 > 主页 >产品展示

YYT2-H系列船用轴流风机用单相异步电动机

YYT2-H系列船用轴流风机用单相异步电动机

YYT2-H Series Single-phase Marine Asynchronous Motor For Axial Flow Fan

YYT2-H系列船用轴流风机用单相异步电动机是为船舶通风机设计的专用电动机。YYT2-H系列电动机为全封闭、鼠笼型电动机,该系列电动机性能优良、节能省电、结构可靠、通用性强。

YYT2-H series motors are specially designed for marine axial flow fan.This series motors are totally-enclosed, squirrel-caged type. the motors has advantage of high performance、energy-saving 、reliable structure and universally working .

工作环境条件(Operating Conditions)

环境温度(Ambient Temperature):0~+45℃;

海    拔(Altitude):<1000m;

额定频率(Rated Frequency):50Hz ;

额定电压(Rated Voltage):220V;

工作方式(Duty Type):连续S1(Continuous)。

技术数据(Technical Data)

型号
Type
功率
Output (W)
电流
Rated Current (A)
转速
Rated speed (r/min)
效率
Effi. %
功率因数
COSφ
起动电流/额定电流
Locked-rotor current VS Rated current Ik/In
起动转矩/额定转矩
Locked-rotor torque VS Rated torque Tk/Tn
zui大转矩/额定转矩
Breakdown torque VS Rated torque
电 容
Capacitance(μF)
YYT2-631-2-H 180 4.88 2800 65 0.92 5 0.4 1.7  6
YYT2-632-2-H 250 5.16 2800 66 0.92 7 0.4 8
YYT2-631-4-H 120 4.26 1400 57 0.9 3.5 0.4 4
YYT2-632-4-H 180 4.58 1400 59 0.9 5 0.4 6
YYT2-711-2-H 370 9.18 2800 67 0.92 10 0.35 10
YYT2-712-2-H 550 9.76 2800 70 0.92 15 0.35 10
YYT2-711-4-H 250 3.44 1400 61 0.92 7 0.35 8
YYT2-712-4-H 370 3.88 1400 62 0.92 10 0.35 10
YYT2-80M1-2-H 750 10.76 2800 72 0.92 20 0.33 30
YYT2-80M2-2-H 1100 11.02 2800 75 0.95 30 0.33 30
YYT2-80M1-4-H 550 10.04 1400 64 0.92 15 0.35 16
YYT2-80M2-4-H 750 10.22 1400 68 0.92 20 0.32 16
YYT2-90S-2-H 1500 11.96 2800 76 0.95 45 0.3 30
YYT2-90L-2-H 2200 12.52 2800 77 0.95 65 0.3 30
YYT2-90S-4-H 1100 11.24 1400 71 0.95 30 0.32 16
YYT2-90L-4-H 1500 12.36 1400 73 0.95 45 0.3 30

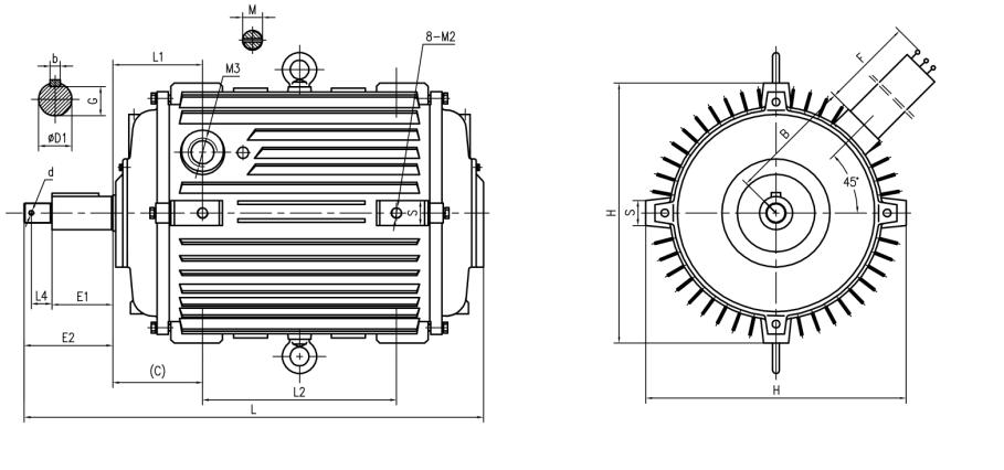
外形及安装尺寸
(Mounting and Overall Dimensions)

尺寸
机座号
ΦD1 b G E1 E2 L C L1 L2 F L4 B M H d M3 8-M2 S
63 14 5 11 30 46 200 40 40 80 200 10 66 M8 140 2.7
3/4" M8深12 24 
71 220 45 45 90 200 73  155 3/4" M8深14 24 
80M 19 6 15.5 40 62 270 50 50 100 240 16 82 M12 175 3.2 3/4" M8深20 24
90S 24 8 20 50 78 295 56 56 100 240 20 90 M16 190 4.2 3/4" M10深20 28
90L 24 8 20 50 78 330 56 56 135 300 20 90 M16 190 4.2 3/4" M12深20 28

注:本产品样本中,所有产品数据参数仅供参考,如有疑问请与工厂联系,并以定货时提供给用户的确认资料为准。
Note:All data shown on this catalogue is just for reference, all the data should be confirmed by final order, if you have any other questions, please contact us.

上一页:YT2-H系列船用轴流风机用三相异步电动机
下一页:YB3-H 系列船用高效率隔爆型三相异步电动机

COPYRIGHT © 2020 青岛佳海通电机有限公司 版权归本公司所有
未经授权任何其他公司或个人均不允许来复制、抄袭!
鲁ICP备2025187584号

联系我们
CONTACT US

地址:山东省青岛市即墨区青岛汽车产业新城众合路100号
联系人: 李经理 15588997166(微信同号)
电话:0532-88587866
网址:http://www.cnmarinemotor.com
E-mail: info@qddhdj.com
客户反馈 联系我们 返回顶部

扫描浏览手机站