YB3-H 系列船用高效率隔爆型三相异步电动机
YB3-H Series High Efficiency Explosion-proof Three Phase Marine Asynchronous Motor
一、产品概述 Product Overview
YB3-H系列电机是全封闭,自扇冷式,鼠笼式,隔爆型船用三相异步电动机,其中2~6极电机的效率达到了NEMA Premium超高效率标准。该电机符合GB3836.1《爆炸性气体环境用电气设备 第1部分 通用要求》和GB3836.2《爆炸性气体环境用电气设备 第2部分 隔爆型“d” 》的规定。 电动机具有高效率、节能、堵转转矩高、噪声低、振动小、运行安全可靠、外形美观等特点。其功率等级、安装尺寸及其对应关系符合国际电工委员会(IEC)标准的规定。
YB3-H series motors are totally-enclosed, fan-coolled, squirrel caged type of explosion-proof three phase marine asynchronous motor. efficiency of 2~6 poles motors could arrived NEMA Premium standard. The motors are designed and manufactured according to GB3836.1 “Electrical apparatus for explosive gas atomosphere-part1: General requirement” and GB3836.2 “Electrical apparatus for explosive gas atmosphere-part2:Flameproof enclosure “d ” .the motors have advantage of high efficiency、energy-saving、big locked-rotor torque、low noise、small noise、smaller vibration、 safe and reliable operation and good appearance, etc. the output、mounting dimensions and other corresponding relationships comply with IEC standard.
二、环境条件 Operation Condition
环境温度:-25~45℃;
Ambient temperature: -25~45℃;
海 拔:<1000m;
Altitude: <1000m;
zui大相对湿度:≤95%;
Relative humidity: ≤95%;
倾斜摇摆:±22.5℃(可能发生纵向和横向倾斜);
Inclination and swing: ±22.5℃(The longitudinal and lateral tilt might happened);
有油雾、盐雾、霉菌及海水的影响;
Oil-mist salt-mist fungus and sea water exist;
有船舶正常营运中产生的冲击、振动;
Shock and vibration might happened during shipping;
存在有引燃温度组别为T1~T4组的可燃性气体或蒸汽与空气形成的爆炸性混合物场所;
In air there might be exist explosive mixture which compound with temperature class T1~T4 easy-ignition air or steam and air.
三、基本参数Basic Parameter
电 制:380V/50Hz、440V/60Hz
Volt and Frequency: 380V/50Hz、440V/60Hz
绝缘等级:F
Insulation Class: F
防护等级: IP56
Degree of protection:IP56
防爆等级:ExdIICT4 Gb
Explosion-proof Mark: Exd IICT4 Gb
工作制:S1
Duty: S1
接 法:3kW及以下为Y,其他功率为△
Connection: 3kW or less than 3kW connected Y, the others connected △
四、主要技术参数 Main Technical Data:
如下表所示:其中功率在0.75kW~55kW、极数为2~6极电动机的效率指标符合GB 18613-2012中的2极能效等级;
As table shown below, the motors of 0.75kW~55kW and 2~6 poles, which efficiency conform to class 2, GB18613-2012.
型号
Type
|
功率
Output kW
|
电流
current A
|
效率
Eff.100%
|
功率因数
cosφ
|
转速
Speed r/min
|
堵转转矩/额定转矩
Locked-rotor torque vs Rated toque Tst/Tn
|
堵转电流/额定电流
Locked-rotor current vs Rated current Ist/In
|
zui大转矩/额定转矩
Breakdown torque vs Rated torque Tmax/Tn
|
|
380V 50Hz
|
440V 60Hz
|
380V 50Hz
|
440V 60Hz
|
380V 50Hz
|
440V 60Hz
|
380V 50Hz
|
440V 60Hz
|
|
380V/50Hz
|
440V/60Hz
|
380V/50Hz
|
440V/60Hz
|
|
YB3-80M1-2-H
|
0.75
|
1.7
|
1.6
|
80.7
|
77
|
0.83
|
0.82
|
2890
|
3510
|
2.1
|
2.0
|
6.8
|
7.1
|
2.3
|
|
YB3-80M2-2-BH
|
1.1
|
2.4
|
2.1
|
82.7
|
84
|
0.83
|
0.82
|
2890
|
3510
|
7.4
|
7.7
|
|
YB3-90S-2-H
|
1.5
|
3.2
|
2.8
|
84.2
|
85.5
|
0.84
|
0.83
|
2900
|
3520
|
|
YB3-90L-2-H
|
2.2
|
4.6
|
4.0
|
85.9
|
86.5
|
0.85
|
0.84
|
2900
|
3520
|
|
YB3-100L-2-H
|
3
|
6.0
|
5.2
|
87.1
|
87.8
|
0.87
|
0.86
|
2880
|
3490
|
|
YB3-112M-2-H
|
4
|
7.8
|
6.8
|
88.1
|
88.7
|
0.88
|
0.87
|
2915
|
3530
|
|
YB3-132S1-2-H
|
5.5
|
10.6
|
9.3
|
89.2
|
89.5
|
0.88
|
0.87
|
2945
|
3540
|
7.7
|
8.0
|
|
YB3-132S2-2-H
|
7.5
|
14.4
|
12.4
|
90.1
|
90.2
|
0.89
|
0.88
|
2940
|
3540
|
|
YB3-160M1-2-H
|
11
|
20.6
|
18.0
|
91.2
|
91
|
0.89
|
0.88
|
2950
|
3550
|
2.2
|
|
YB3-160M2-2-H
|
15
|
27.9
|
24.6
|
91.9
|
91
|
0.89
|
0.88
|
2950
|
3550
|
|
YB3-160L-2-H
|
18.5
|
34.2
|
30.1
|
92.4
|
91.7
|
0.89
|
0.88
|
2950
|
3550
|
2.0
|
1.9
|
|
YB3-180M-2-H
|
22
|
40.5
|
35.8
|
92.7
|
91.7
|
0.89
|
0.88
|
2965
|
3565
|
|
YB3-200L1-2-H
|
30
|
54.9
|
48.4
|
93.3
|
92.4
|
0.89
|
0.88
|
2970
|
3570
|
|
YB3-200L2-2-H
|
37
|
67.4
|
59.3
|
93.7
|
93
|
0.89
|
0.88
|
2975
|
3580
|
|
YB3-225M-2-H
|
45
|
80.8
|
70.4
|
94
|
94.2
|
0.9
|
0.89
|
2975
|
3580
|
7.8
|
8.3
|
|
YB3-250M-2-H
|
55
|
98.5
|
85.7
|
94.3
|
94.6
|
0.9
|
0.89
|
2975
|
3580
|
|
YB3-80M1-4-H
|
0.55
|
1.5
|
1.3
|
73.5
|
74.5
|
0.75
|
0.74
|
1435
|
1740
|
2.2
|
2.2
|
6.8
|
7.1
|
2.3
|
|
YB3-80M2-4-H
|
0.75
|
1.8
|
1.5
|
82.5
|
85.5
|
0.76
|
0.75
|
1435
|
1740
|
|
YB3-90S-4-H
|
1.1
|
2.6
|
2.2
|
84.1
|
86.5
|
0.76
|
0.75
|
1440
|
1750
|
7.5
|
7.8
|
|
YB3-90L-4-H
|
1.5
|
3.5
|
3.0
|
85.3
|
86.5
|
0.77
|
0.76
|
1440
|
1750
|
|
YB3-100L1-4-H
|
2.2
|
4.8
|
4.0
|
86.7
|
89.5
|
0.81
|
0.8
|
1440
|
1750
|
|
YB3-100L2-4-H
|
3
|
6.3
|
5.5
|
87.7
|
88.8
|
0.82
|
0.81
|
1440
|
1750
|
|
YB3-112M-4-H
|
4
|
8.4
|
7.2
|
86.6
|
87.8
|
0.82
|
0.81
|
1460
|
1760
|
|
YB3-132S-4-H
|
5.5
|
11.2
|
9.6
|
89.6
|
91.7
|
0.83
|
0.82
|
1475
|
1780
|
|
YB3-132M-4-H
|
7.5
|
15.0
|
12.9
|
90.4
|
91.7
|
0.88
|
0.87
|
1470
|
1770
|
|
YB3-160M-4-H
|
11
|
21.5
|
18.6
|
91.4
|
92.4
|
0.89
|
0.88
|
1475
|
1780
|
2.0
|
1.9
|
2.2
|
|
YB3-160L-4-H
|
15
|
28.8
|
24.9
|
92.1
|
93
|
0.86
|
0.85
|
1475
|
1780
|
|
YB3-180M-4-H
|
18.5
|
35.3
|
30.5
|
92.6
|
93.6
|
0.86
|
0.85
|
1480
|
1785
|
|
YB3-180L-4-H
|
22
|
41.8
|
36.3
|
93
|
93.6
|
0.86
|
0.85
|
1480
|
1785
|
7.7
|
8
|
|
YB3-200L-4-H
|
30
|
56.6
|
49.2
|
93.6
|
94.1
|
0.86
|
0.85
|
1485
|
1790
|
|
YB3-225S-4-H
|
37
|
69.6
|
60.4
|
93.9
|
94.5
|
0.86
|
0.85
|
1485
|
1790
|
|
YB3-225M-4-H
|
45
|
84.4
|
73.7
|
94.2
|
94.3
|
0.86
|
0.85
|
1485
|
1790
|
|
YB3-250M-4-H
|
55
|
103.0
|
89.6
|
94.6
|
94.8
|
0.86
|
0.85
|
1485
|
1790
|
2.2
|
2
|
|
YB3-80M1-6-H
|
0.37
|
1.1
|
1.0
|
70.1
|
70.6
|
0.7
|
0.68
|
950
|
1160
|
2.0
|
1.9
|
5.5
|
5.8
|
2.3
|
|
YB3-80M2-6-H
|
0.55
|
1.7
|
1.4
|
71
|
72.3
|
0.71
|
0.7
|
950
|
1160
|
6.0
|
6.3
|
|
YB3-90S-6-H
|
0.75
|
2.0
|
1.7
|
78.9
|
82.5
|
0.71
|
0.7
|
960
|
1160
|
|
YB3-90L-6-H
|
1.1
|
2.8
|
2.3
|
81
|
87.5
|
0.73
|
0.72
|
960
|
1160
|
|
YB3-100L-6-H
|
1.5
|
3.8
|
3.1
|
82.5
|
88.5
|
0.73
|
0.72
|
960
|
1160
|
|
YB3-112M-6-H
|
2.2
|
5.4
|
4.4
|
84.3
|
89.5
|
0.74
|
0.73
|
970
|
1165
|
7.2
|
7.5
|
|
YB3-132S-6-H
|
3
|
7.2
|
6.2
|
85.6
|
87.3
|
0.74
|
0.73
|
975
|
1170
|
|
YB3-132M1-6-H
|
4
|
9.5
|
8.2
|
86.8
|
88.1
|
0.74
|
0.73
|
975
|
1170
|
|
YB3-132M2-6-H
|
5.5
|
12.7
|
10.7
|
88
|
91
|
0.75
|
0.74
|
975
|
1170
|
|
YB3-160M-6-H
|
7.5
|
16.2
|
13.9
|
89.1
|
91
|
0.84
|
0.83
|
980
|
1190
|
|
YB3-160L-6-H
|
11
|
23.1
|
19.9
|
90.3
|
91.7
|
0.85
|
0.84
|
980
|
1190
|
1.9
|
1.8
|
2.2
|
|
YB3-180L-6-H
|
15
|
30.9
|
26.8
|
91.2
|
91.7
|
0.81
|
0.8
|
985
|
1190
|
|
YB3-200L1-6-H
|
18.5
|
37.8
|
32.6
|
91.7
|
93
|
0.81
|
0.8
|
985
|
1190
|
|
YB3-200L2-6-H
|
22
|
44.8
|
38.8
|
92.2
|
93
|
0.82
|
0.81
|
985
|
1190
|
|
YB3-225M-6-H
|
30
|
59.1
|
51.0
|
92.9
|
94.1
|
0.83
|
0.82
|
990
|
1190
|
|
YB3-250M-6-H
|
37
|
71.7
|
62.2
|
93.3
|
94.1
|
0.84
|
0.83
|
985
|
1190
|
|
YB3-80M1-8-H
|
0.18
|
0.83
|
0.70
|
56
|
58
|
0.59
|
0.58
|
650
|
795
|
1.9
|
1.8
|
5.5
|
5.8
|
1.9
|
|
YB3-80M2-8-H
|
0.25
|
1.13
|
0.96
|
57
|
59
|
0.59
|
0.58
|
650
|
795
|
|
YB3-90S-8-H
|
0.37
|
1.36
|
1.16
|
68
|
69.5
|
0.61
|
0.6
|
670
|
815
|
2.0
|
|
YB3-90L-8-H
|
0.55
|
1.95
|
1.69
|
70.2
|
71.2
|
0.61
|
0.6
|
670
|
815
|
|
YB3-100L1-8-H
|
0.75
|
2.31
|
2.00
|
73.5
|
74.5
|
0.67
|
0.66
|
690
|
840
|
|
YB3-100L2-8-H
|
1.1
|
3.21
|
2.78
|
76.5
|
77.5
|
0.68
|
0.67
|
690
|
840
|
|
YB3-112M-8-H
|
1.5
|
4.20
|
3.64
|
78.6
|
79.6
|
0.69
|
0.68
|
690
|
840
|
|
YB3-132S-8-H
|
2.2
|
5.89
|
5.10
|
81.1
|
82.1
|
0.7
|
0.69
|
710
|
860
|
|
YB3-132M-8-H
|
3
|
7.74
|
6.70
|
82.9
|
83.9
|
0.71
|
0.7
|
710
|
860
|
6.2
|
6.5
|
|
YB3-160M1-8-H
|
4
|
9.99
|
8.65
|
84.5
|
85.5
|
0.72
|
0.71
|
720
|
870
|
|
YB3-160M2-8-H
|
5.5
|
13.50
|
11.68
|
86
|
87
|
0.72
|
0.71
|
720
|
870
|
|
YB3-160L-8-H
|
7.5
|
18.15
|
15.72
|
87.2
|
88.2
|
0.72
|
0.71
|
720
|
870
|
|
YB3-180L-8-H
|
11
|
25.04
|
21.79
|
89
|
89.5
|
0.75
|
0.74
|
720
|
870
|
|
YB3-200L-8-H
|
15
|
33.69
|
29.33
|
90.2
|
90.7
|
0.75
|
0.74
|
730
|
885
|
6.8
|
7.1
|
|
YB3-225S-8-H
|
18.5
|
39.60
|
34.46
|
91
|
91.5
|
0.78
|
0.77
|
730
|
885
|
|
YB3-225M-8-H
|
22
|
46.89
|
40.80
|
91.4
|
91.9
|
0.78
|
0.77
|
730
|
885
|
|
YB3-250M-8-H
|
30
|
62.72
|
54.56
|
92
|
92.5
|
0.79
|
0.78
|
730
|
885
|
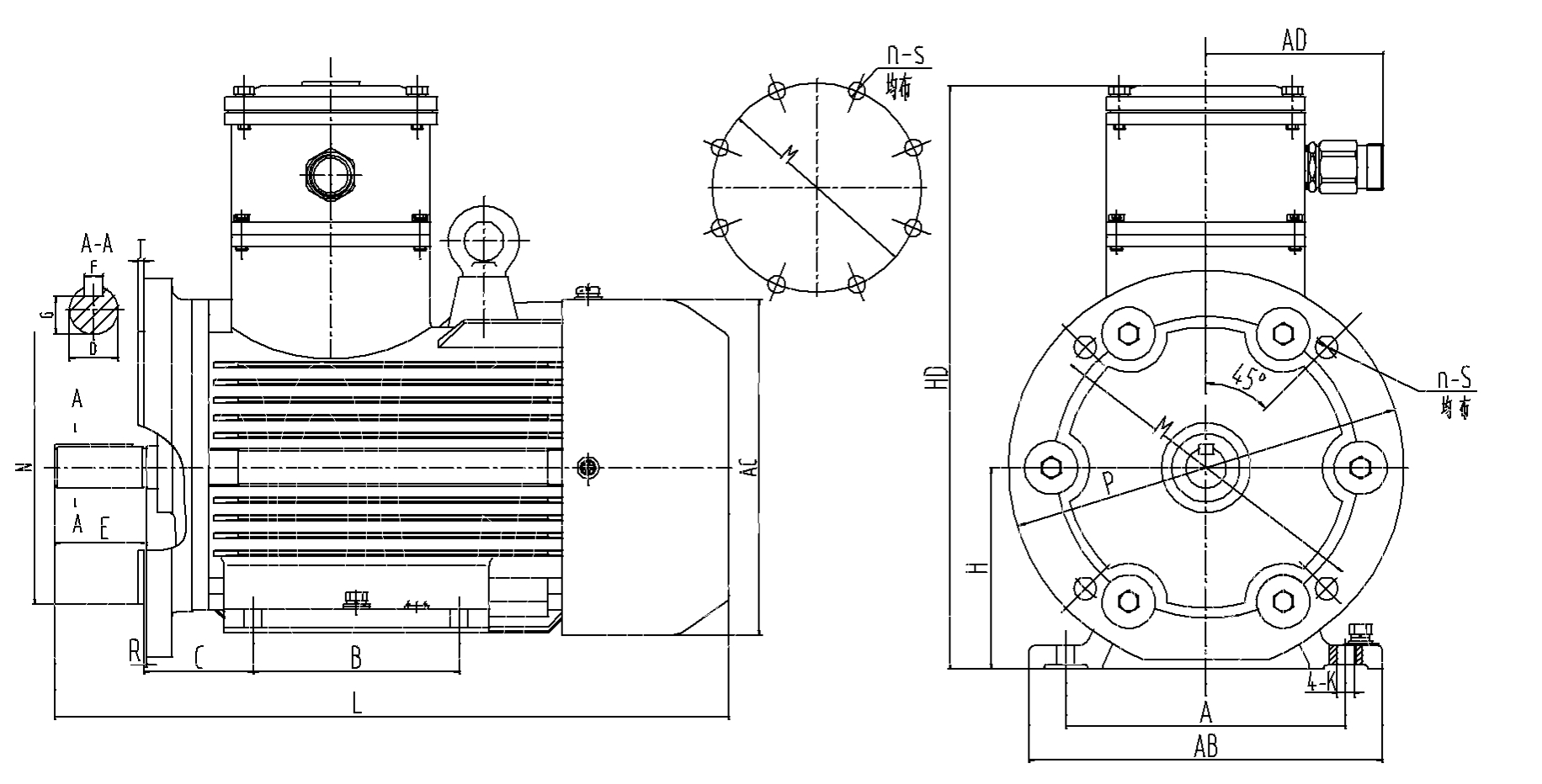
外形安装尺寸(Mounting and Overall Dimension)
B3 机座带底脚、端盖无凸缘 B3 Type Frame with foot and endshield without flange
机座号
Frame Size
|
极数
No. of poles
|
安装尺寸及公差
Mounting and Overall Dimension
|
|
A
|
B
|
C
|
D
|
E
|
F
|
G
|
H
|
K
|
AB
|
AC
|
AD
|
HD
|
L
|
|
80M
|
2、4、6、8
|
125
|
100
|
50
|
19
|
40
|
6
|
15.5
|
80
|
10
|
165
|
175
|
180
|
325
|
375
|
|
90S
|
140
|
56
|
24
|
50
|
8
|
20
|
90
|
180
|
195
|
335
|
405
|
|
90L
|
125
|
455
|
|
100L
|
160
|
140
|
63
|
28
|
60
|
24
|
100
|
12
|
200
|
215
|
355
|
460
|
|
112M
|
190
|
70
|
112
|
245
|
255
|
190
|
380
|
500
|
|
132S
|
216
|
89
|
38
|
80
|
10
|
33
|
132
|
280
|
310
|
210
|
435
|
575
|
|
132M
|
178
|
585
|
|
160M
|
254
|
210
|
108
|
42
|
110
|
12
|
37
|
160
|
14.5
|
330
|
340
|
210
|
530
|
735
|
|
160L
|
254
|
775
|
|
180M
|
279
|
241
|
121
|
48
|
14
|
42.5
|
180
|
355
|
380
|
540
|
820
|
|
180L
|
279
|
820
|
|
200L
|
318
|
305
|
133
|
55
|
16
|
49
|
200
|
18.5
|
395
|
445
|
305
|
590
|
920
|
|
225S
|
4,8
|
356
|
286
|
149
|
60
|
140
|
18
|
53
|
225
|
435
|
470
|
335
|
640
|
985
|
|
225M
|
2
|
311
|
55
|
110
|
16
|
49
|
985
|
|
4,6,8
|
60
|
140
|
18
|
53
|
1020
|
|
250M
|
2
|
406
|
349
|
168
|
53
|
250
|
24
|
495
|
535
|
350
|
725
|
1320
|
|
4,6,8
|
65
|
58
|
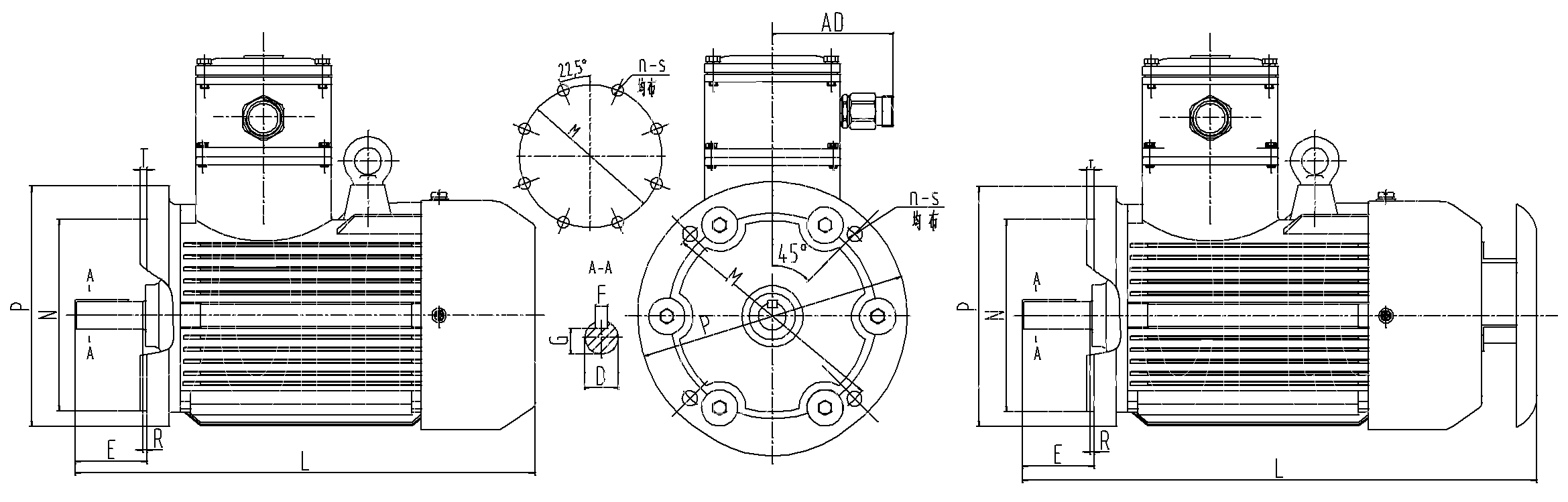
B35 机座带底脚、端盖有凸缘(带通孔) B35 Type Frame with foot and endshield with flange(through hole)
机座号
Frame Size
|
凸缘号
Flange
|
极数
No. of poles
|
安装尺寸及公差
Mounting and Overall Dimension
|
|
A
|
B
|
C
|
D
|
E
|
F
|
G
|
H
|
K
|
M
|
N
|
P
|
R
|
S
|
T
|
n
|
AB
|
AC
|
AD
|
HD
|
L
|
|
80M
|
FF165
|
2、4、6、8
|
125
|
100
|
50
|
19
|
40
|
6
|
15.5
|
80
|
10
|
165
|
130
|
200
|
0±1.5
|
12
|
4
|
4
|
165
|
175
|
180
|
325
|
375
|
|
90S
|
140
|
56
|
24
|
50
|
8
|
20
|
90
|
180
|
195
|
335
|
405
|
|
90L
|
125
|
455
|
|
100L
|
FF215
|
160
|
140
|
63
|
28
|
60
|
24
|
100
|
12
|
215
|
180
|
250
|
0±2.0
|
15
|
4
|
205
|
215
|
355
|
460
|
|
112M
|
190
|
70
|
112
|
245
|
255
|
190
|
350
|
500
|
|
132S
|
FF265
|
216
|
89
|
38
|
80
|
10
|
33
|
132
|
265
|
230
|
300
|
280
|
310
|
210
|
435
|
575
|
|
132M
|
178
|
585
|
|
160M
|
FF300
|
254
|
210
|
108
|
42
|
110
|
12
|
37
|
160
|
15
|
300
|
250
|
350
|
0±3.0
|
19
|
5
|
330
|
340
|
210
|
530
|
735
|
|
160L
|
254
|
775
|
|
180M
|
279
|
241
|
121
|
48
|
14
|
42.5
|
180
|
355
|
380
|
540
|
820
|
|
180L
|
279
|
820
|
|
200L
|
FF350
|
318
|
305
|
133
|
55
|
16
|
49
|
200
|
19
|
350
|
300
|
400
|
395
|
445
|
280
|
580
|
920
|
|
225S
|
FF400
|
4
|
356
|
286
|
149
|
60
|
140
|
18
|
53
|
225
|
400
|
350
|
450
|
0±4.0
|
8
|
435
|
470
|
335
|
640
|
985
|
|
225M
|
2
|
311
|
55
|
110
|
16
|
49
|
985
|
|
4,6,8
|
60
|
140
|
18
|
53
|
1020
|
|
250M
|
FF500
|
2
|
406
|
349
|
168
|
250
|
24
|
500
|
450
|
550
|
495
|
535
|
350
|
725
|
1320
|
|
4,6,8
|
65
|
58
|
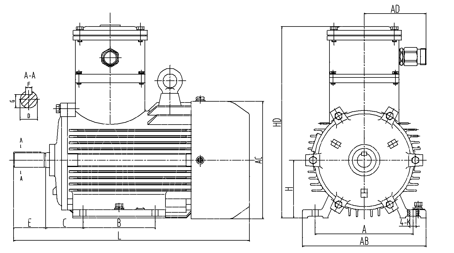
B5卧式安装或V1立式安装、机座不带底脚、端盖有凸缘(带通孔)
B5 and V1 Type Frame without foot and endshield with flange(through hole)
机座号
Frame Size
|
凸缘号
Flange
|
极数
No. of poles
|
安装尺寸及公差
Mounting and Overall Dimension
|
|
D
|
E
|
F
|
G
|
M
|
N
|
P
|
R
|
S
|
T
|
n
|
AC
|
AD
|
L
|
|
B5
|
V1
|
|
80M
|
FF165
|
2、4、6、8
|
19
|
40
|
6
|
15.5
|
165
|
130
|
200
|
0±1.5
|
12
|
3.5
|
4
|
175
|
180
|
375
|
420
|
|
90S
|
24
|
50
|
8
|
20
|
195
|
405
|
450
|
|
90L
|
455
|
490
|
|
100L
|
FF215
|
28
|
60
|
24
|
215
|
180
|
250
|
0±2.0
|
15
|
4
|
205
|
460
|
520
|
|
112M
|
255
|
190
|
500
|
560
|
|
132S
|
FF265
|
38
|
80
|
10
|
33
|
265
|
230
|
300
|
310
|
210
|
575
|
650
|
|
132M
|
585
|
670
|
|
160M
|
FF300
|
42
|
110
|
12
|
37
|
300
|
250
|
350
|
0±3.0
|
19
|
5
|
340
|
735
|
800
|
|
160L
|
775
|
840
|
|
180M
|
48
|
14
|
42.5
|
380
|
820
|
890
|
|
180L
|
820
|
890
|
|
200L
|
FF350
|
2、4、6、8
|
55
|
16
|
49
|
350
|
300
|
400
|
445
|
280
|
920
|
985
|
|
225S
|
FF400
|
4
|
60
|
140
|
18
|
53
|
400
|
350
|
450
|
0±4.0
|
8
|
470
|
335
|
985
|
1045
|
|
225M
|
2
|
55
|
110
|
16
|
49
|
985
|
1045
|
|
4,6,8
|
60
|
140
|
18
|
53
|
1020
|
1080
|
|
250M
|
FF500
|
2
|
500
|
450
|
550
|
535
|
350
|
1320
|
1380
|
|
4,6,8
|
65
|
58
|
注:本产品样本中,所有产品数据参数仅供参考,如有疑问请与工厂联系,并以定货时提供给用户的确认资料为准。
Note:All data shown on this catalogue is just for reference, all the data should be confirmed by final order, if you have any other questions, please contact us.
|