Y-H系列船用三相异步电动机(铝质机壳:机座号50~132)
Y-H Series Three phase Marine Asynchronous Motor(Aluminum enclosure:Frame Size50~132)
Y-H系列是全封闭,自扇冷鼠笼式船用三相异步电动机,广泛用于船舶上作驱动之用如中小型机床、风机等机械的动力装置。该系列电动机性能优良、节能省电、结构可靠、通用性强。
Y-H series motors are totally-enclosed, fan cooled three phase squirrel caged type. the motors are suitable for driving various machines on ships such as small size machine tool、fan and etc. the motors has advantage of high performance、energy-saving 、reliable structure and universally working .
工作环境条件(Operating Conditions)
海拔≤1000m
Altitude should be lower than 1000m above sea level
环境温度: 0~+45℃
Ambient temperature 0~+45℃
空气相对湿度 ≤95%
Relative humidity should be less than 95%.
倾斜: ±30°
Inclination :±30°
摇摆: ±22.5°
Swing:±22.5°
有盐雾、油雾、霉菌及海水的影响
Influenced by Dew、Salt mist、Oil mist、Fungus and sea water.
有船舶和近海装置正常营运和作业中产生的冲击、振动的影响
Influenced by shock and vibration come from ships and offshore installation.
外壳:铸造铝
Enclosure: casting aluminum
型号说明(Type Designation)
轴承(Bearing)
|
机座号
|
极数
|
轴承规格
|
轴承尺寸(mm)内径*外径*宽度
|
|
50
|
2、4
|
6200-2RS
|
10*30*9
|
|
56
|
2、4
|
6200-2RS
|
10*30*9
|
|
63
|
2、4
|
6201-2RS
|
12*32*10
|
|
71
|
2、4、6
|
6202-2RS
|
15*35*11
|
|
80
|
2、4、6
|
6204-2RS
|
20*47*14
|
|
90
|
2、4、6
|
6205-2RS
|
25*52*15
|
|
100
|
2、4、6
|
6206-2RS
|
30*62*16
|
|
112
|
2、4、6
|
6206-2RS
|
30*62*16
|
|
132
|
2、4、6、8
|
6208-2RS
|
40*80*18
|
技术数据(Technical Data)
型号
Type
|
功率
Output (kW)
|
电流
Rated Current(A)
|
转速
Rated Speed r/min
|
效率
Effi. %
|
功率因数
COSφ
|
起动电流/额定电流
Locked-rotor current VS Rated current Ik/In
|
起动转矩/额定转矩
Locked-rotor torque VS Rated torque Tk/Tn
|
zui大转矩/额定转矩
Breakdown torque VS Rated torque Tm/Tn
|
380V
50Hz
|
440V
60Hz
|
380V
50Hz
|
440V
60Hz
|
380V
50Hz
|
440V
60Hz
|
380V
50Hz
|
440V
60Hz
|
|
Y501-2-H
|
0.04
|
0.17
|
0.15
|
2800
|
3290
|
55
|
55
|
0.65
|
0.65
|
6
|
2.3
|
2.4
|
|
Y502-2-H
|
0.06
|
0.23
|
0.2
|
2800
|
3290
|
60
|
60
|
0.66
|
0.66
|
|
Y501-4-H
|
0.025
|
0.17
|
0.15
|
1400
|
1640
|
42
|
42
|
0.53
|
0.53
|
|
Y502-4-H
|
0.04
|
0.23
|
0.2
|
1400
|
1640
|
50
|
50
|
0.54
|
0.54
|
|
Y561-2-H
|
0.09
|
0.32
|
0.28
|
2800
|
3290
|
62
|
62
|
0.68
|
0.68
|
|
Y562-2-H
|
0.12
|
0.38
|
0.33
|
2800
|
3290
|
67
|
67
|
0.71
|
0.71
|
|
Y561-4-H
|
0.06
|
0.28
|
0.24
|
1400
|
1640
|
56
|
56
|
0.58
|
0.58
|
|
Y562-4-H
|
0.09
|
0.39
|
0.34
|
1400
|
1640
|
58
|
58
|
0.61
|
0.61
|
|
Y631-2-H
|
0.18
|
0.52
|
0.45
|
2800
|
3300
|
69
|
69
|
0.75
|
0.75
|
2.2
|
|
Y632-2-H
|
0.25
|
0.69
|
0.6
|
2800
|
3300
|
72
|
72
|
0.78
|
0.78
|
|
Y631-4-H
|
0.12
|
0.44
|
0.38
|
1400
|
1650
|
60
|
60
|
0.63
|
0.63
|
|
Y632-4-H
|
0.18
|
0.62
|
0.54
|
1400
|
1650
|
64
|
64
|
0.66
|
0.66
|
|
Y711-2-H
|
0.37
|
0.99
|
0.87
|
2800
|
3380
|
73.5
|
73.5
|
0.8
|
0.8
|
|
Y712-2-H
|
0.55
|
1.38
|
1.2
|
2800
|
3380
|
75.5
|
75.5
|
0.82
|
0.82
|
|
Y711-4-H
|
0.25
|
0.78
|
0.67
|
1400
|
1660
|
67
|
67
|
0.68
|
0.68
|
|
Y712-4-H
|
0.37
|
1.12
|
0.97
|
1400
|
1660
|
69.5
|
69.5
|
0.72
|
0.72
|
|
Y711-6-H
|
0.18
|
0.74
|
0.64
|
880
|
1090
|
56
|
56
|
0.66
|
0.66
|
4
|
1.9
|
2
|
|
Y712-6-H
|
0.25
|
0.95
|
0.82
|
880
|
1090
|
59
|
59
|
0.68
|
0.68
|
|
Y80M1-2-H
|
0.75
|
1.8
|
1.6
|
2820
|
3460
|
75
|
76.5
|
0.84
|
0.82
|
6.1
|
1.9
|
2.1
|
|
Y80M2-2-H
|
1.1
|
2.6
|
2.2
|
2820
|
3460
|
76.5
|
77.5
|
0.85
|
0.85
|
7
|
|
Y80M1-4-H
|
0.55
|
1.5
|
1.4
|
1390
|
1710
|
72.5
|
74
|
0.75
|
0.71
|
5.2
|
2
|
|
Y80M2-4-H
|
0.75
|
2.1
|
1.8
|
1390
|
1710
|
74
|
76
|
0.75
|
0.72
|
6
|
1.9
|
|
Y80M1-6-H
|
0.37
|
1.31
|
1.13
|
890
|
1110
|
63
|
63
|
0.7
|
0.7
|
4
|
|
Y80M2-6-H
|
0.55
|
1.7
|
1.47
|
890
|
1110
|
66
|
66
|
0.72
|
0.72
|
|
Y90S-2-H
|
1.5
|
3.5
|
3.1
|
2840
|
3470
|
79.5
|
80
|
0.82
|
0.85
|
7
|
|
Y90L-2-H
|
2.2
|
4.9
|
4.3
|
2840
|
3470
|
82.5
|
83.5
|
0.83
|
0.8
|
|
Y90S-4-H
|
1.1
|
2.7
|
2.4
|
1400
|
1710
|
78
|
79
|
0.78
|
0.75
|
6
|
|
Y90L-4-H
|
1.5
|
3.6
|
3.2
|
1400
|
1710
|
79
|
80.5
|
0.8
|
0.77
|
|
Y90S-6-H
|
0.75
|
2.2
|
2
|
910
|
1130
|
72.5
|
74
|
0.7
|
0.67
|
5.5
|
1.8
|
2
|
|
Y90L-6-H
|
1.1
|
3.2
|
2.9
|
910
|
1130
|
72.5
|
74
|
0.71
|
0.68
|
|
Y100L-2-H
|
3
|
6.2
|
5.4
|
2880
|
3490
|
84
|
84
|
0.87
|
0.86
|
7.5
|
1.9
|
2.1
|
|
Y100L1-4-H
|
2.2
|
5
|
4.5
|
1420
|
1730
|
81.5
|
82.5
|
0.81
|
0.78
|
7
|
|
Y100L2-4-H
|
3
|
6.8
|
5.9
|
1420
|
1730
|
83
|
85
|
0.81
|
0.78
|
|
Y100L-6-H
|
1.5
|
4
|
3.5
|
940
|
1150
|
77.5
|
79.5
|
0.73
|
0.7
|
5.5
|
1.8
|
2
|
|
Y112M-2-H
|
4
|
8.2
|
7.2
|
2890
|
3500
|
86.5
|
87
|
0.86
|
0.84
|
7.5
|
1.9
|
2.1
|
|
Y112M-4-H
|
4
|
8.9
|
7.7
|
1440
|
1750
|
84.5
|
86
|
0.81
|
0.79
|
7
|
|
Y112M-6-H
|
2.2
|
5.8
|
5.2
|
940
|
1150
|
79.5
|
82
|
0.72
|
0.68
|
6.5
|
1.8
|
2
|
|
Y132S1-2-H
|
5.5
|
11
|
9.6
|
2900
|
3520
|
86.5
|
86
|
0.88
|
0.87
|
7.5
|
1.5
|
|
Y132S2-2-H
|
7.5
|
14.6
|
12.9
|
2900
|
3520
|
87.5
|
87
|
0.89
|
0.88
|
|
Y132S-4-H
|
5.5
|
11.7
|
10
|
1440
|
1750
|
86
|
88
|
0.83
|
0.82
|
7
|
1.8
|
|
Y132M-4-H
|
7.5
|
15.4
|
13.2
|
1440
|
1750
|
87
|
88.5
|
0.85
|
0.84
|
|
Y132S-6-H
|
3
|
7.2
|
6.4
|
960
|
1170
|
83.5
|
83.5
|
0.76
|
0.74
|
6.5
|
1.8
|
|
Y132M1-6-H
|
4
|
9.5
|
8.2
|
960
|
1170
|
84
|
86
|
0.76
|
0.74
|
|
Y132M2-6-H
|
5.5
|
12.5
|
10.7
|
960
|
1170
|
86
|
87.5
|
0.78
|
0.77
|
|
Y132S-8-H
|
2.2
|
5.8
|
5.2
|
710
|
860
|
80
|
81
|
0.72
|
0.68
|
6
|
1.7
|
1.9
|
|
Y132M-8-H
|
3
|
7.6
|
6.8
|
710
|
860
|
82.5
|
83.5
|
0.73
|
0.69
|
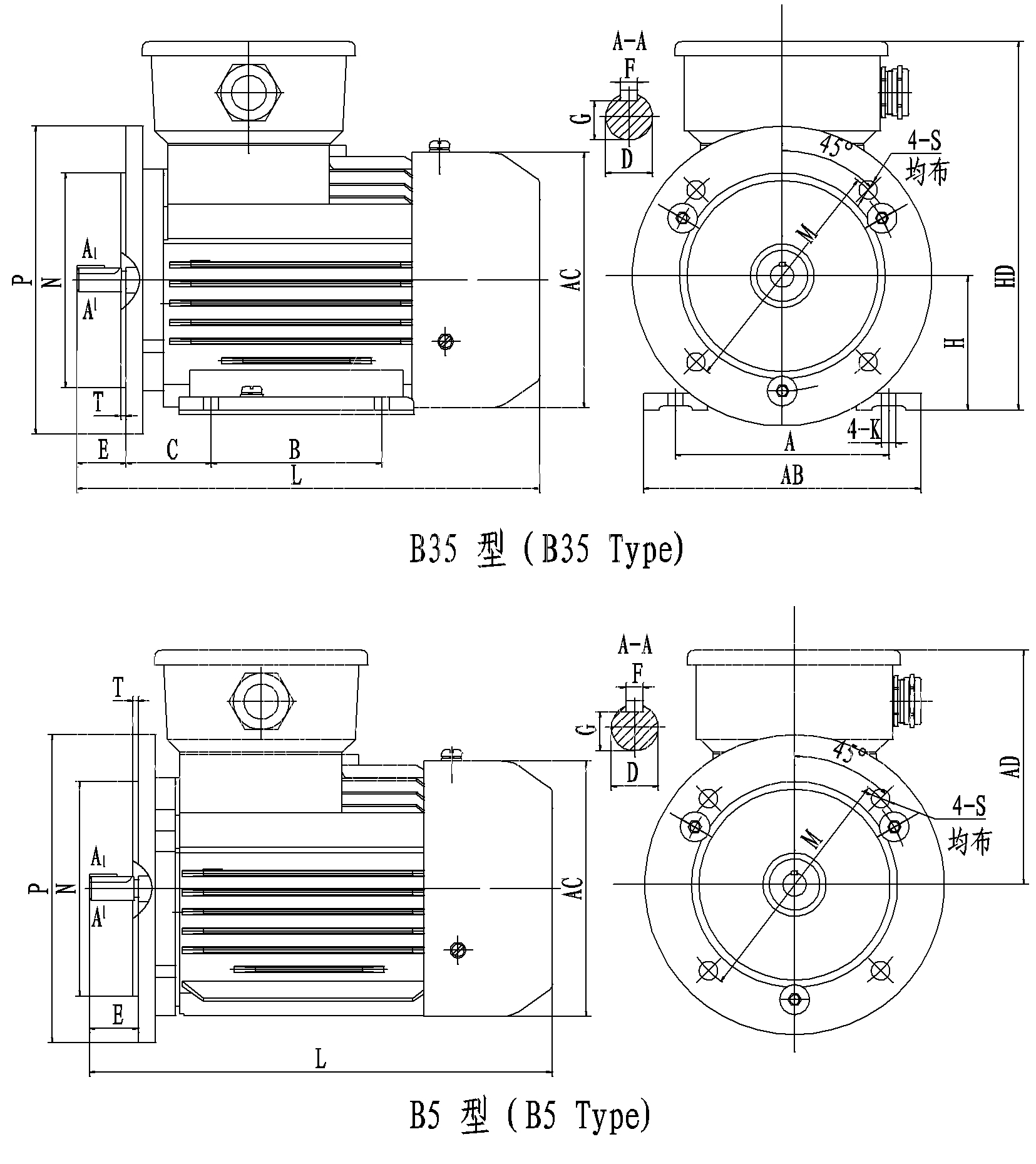
电动机安装结构型式(Mounting Arrangement)
B3型 — 机座有底脚、端盖无凸缘 ;
B3 Type — Frame with foot and endshield without flange;
B35型 — 机座有底脚、端盖有大凸缘,安装孔为通孔 ;
B35 Type — Frame with foot and flange with big rabbet and through holes.
B34型 — 机座有底脚、端盖有小凸缘,安装孔为丝孔;
B34 Type — Frame with foot and flange with small rabbet and tapped holes.
B5型—机座无底脚、端盖有大凸缘,安装孔为通孔.
B5 Type — Frame without foot and flange with big rabbet and through holes.
外形及安装尺寸
(Mounting and Overall Dimensions)
机座号
Frame Size
|
外形及安装尺寸
Mounting and Overall Dimension
|
|
B3、B34
|
B14、B34
|
B3、B34
|
B14
|
L
|
|
A
|
B
|
C
|
D
|
E
|
F
|
G
|
H
|
K
|
M
|
N
|
P
|
S
|
T
|
AB
|
AC
|
HD
|
AD
|
|
50
|
80
|
63
|
32
|
9
|
20
|
3
|
7.2
|
50
|
6
|
55
|
40
|
70
|
M5
|
2.5
|
100
|
110
|
125
|
100
|
175
|
|
56
|
90
|
71
|
36
|
9
|
20
|
3
|
7.2
|
56
|
6
|
65
|
50
|
80
|
115
|
120
|
135
|
110
|
190
|
|
63
|
100
|
80
|
40
|
11
|
23
|
4
|
8.5
|
63
|
7
|
75
|
60
|
90
|
130
|
130
|
165
|
125
|
250
|
|
71
|
112
|
90
|
45
|
14
|
30
|
5
|
11
|
71
|
7
|
85
|
70
|
105
|
M6
|
145
|
145
|
180
|
140
|
275
|
|
80
|
125
|
100
|
50
|
19
|
40
|
6
|
16
|
80
|
10
|
100
|
80
|
120
|
3
|
160
|
165
|
200
|
150
|
300
|
|
90S
|
140
|
100
|
56
|
24
|
50
|
8
|
20
|
90
|
115
|
95
|
140
|
M8
|
180
|
185
|
240
|
160
|
335
|
|
90L
|
140
|
125
|
56
|
24
|
50
|
90
|
115
|
95
|
140
|
180
|
185
|
240
|
160
|
365
|
|
100L
|
160
|
140
|
63
|
28
|
60
|
24
|
100
|
12
|
130
|
110
|
160
|
3.5
|
205
|
215
|
290
|
185
|
385
|
|
112M
|
190
|
70
|
112
|
130
|
110
|
160
|
245
|
240
|
320
|
195
|
405
|
|
132S
|
216
|
89
|
38
|
80
|
10
|
33
|
132
|
165
|
130
|
200
|
M10
|
280
|
275
|
365
|
245
|
500
|
|
132M
|
178
|
165
|
130
|
200
|
540
|
机座号
Frame Size
|
外形及安装尺寸
Mounting and Overall Dimension
|
|
B35
|
B35、B5
|
B35
|
B5
|
L
|
|
A
|
B
|
C
|
D
|
E
|
F
|
G
|
H
|
K
|
M
|
N
|
P
|
S
|
T
|
AB
|
AC
|
HD
|
AD
|
|
63
|
100
|
80
|
40
|
11
|
23
|
4
|
8.5
|
63
|
7
|
115
|
95
|
140
|
10
|
3
|
130
|
130
|
165
|
125
|
250
|
|
71
|
112
|
90
|
45
|
14
|
30
|
5
|
11
|
71
|
130
|
110
|
160
|
4
|
145
|
145
|
180
|
140
|
275
|
|
80
|
125
|
100
|
50
|
19
|
40
|
6
|
15.5
|
80
|
10
|
165
|
130
|
200
|
12
|
160
|
165
|
200
|
150
|
300
|
|
90S
|
140
|
100
|
56
|
24
|
50
|
8
|
20
|
90
|
165
|
130
|
200
|
180
|
185
|
240
|
160
|
335
|
|
90L
|
140
|
125
|
56
|
24
|
50
|
20
|
90
|
165
|
130
|
200
|
180
|
185
|
240
|
160
|
365
|
|
100L
|
160
|
140
|
63
|
28
|
60
|
24
|
100
|
12
|
215
|
180
|
250
|
15
|
4
|
205
|
215
|
290
|
185
|
385
|
|
112M
|
190
|
70
|
112
|
245
|
240
|
320
|
195
|
405
|
|
132S
|
216
|
89
|
38
|
80
|
10
|
33
|
132
|
265
|
230
|
300
|
280
|
275
|
365
|
245
|
500
|
|
132M
|
178
|
540
|
注:本产品样本中,所有产品数据参数仅供参考,如有疑问请与工厂联系,并以定货时提供给用户的确认资料为准。
Note:All data shown on this catalogue is just for reference, all the data should be confirmed by final order, if you have any other questions, please contact us.
|